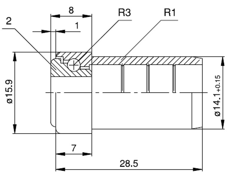
50X1,5-M10 PLASTİK RULO KAPAĞI

Yüksek dayanım ve güvenli kapama çözümü

50x1,5-M10 plastik Rulo Kapağı, rulo sistemleri ve mekanik tahrik elemanları için tasarlanmış dayanıklı ve güvenilir bir kapak elemanıdır. Metal malzemesi sayesinde yüksek darbe ve aşınma direnci sunar, uzun ömürlü kullanım sağlar.

Öne Çıkan Özellikler

  • Plastik gövde ile yüksek dayanım ve mukavemet
  • Standart 50x1,5-M10 ölçüleri ile uyumlu montaj
  • Darbelere ve aşınmaya karşı dirençli
  • Yüksek sıcaklık ve zorlu çalışma koşullarına dayanıklı
  • Kolay montaj ve sökme imkanı
  • Rulo sistemlerinde güvenli ve stabil kapama sağlar

Kullanım Alanları

  • Konveyör ve taşıma sistemleri ruloları
  • Endüstriyel makine ve ekipmanlar
  • Rulo tahrik sistemlerinde kapak ve koruma elemanı
  • Depo ve üretim hatlarındaki mekanik sistemler

Avantajları

  • Yüksek mukavemet sayesinde uzun ömürlü kullanım
  • Plastik yapısı ile darbeye ve deformasyona karşı dayanıklı
  • Standart ölçüleri ile kolay değişim ve uyumluluk
  • Rulo sistemlerinin stabil ve güvenli çalışmasını sağlar