|
202 863 – doğrusal yataklar, lineer hareket uygulamalarında hassas, düşük sürtünmeli ve yüksek taşıma kapasitesine sahip kılavuzlama çözümleri sunar. 863 serisi, hem endüstriyel otomasyon hem de makine imalatında güvenilir ve uzun ömürlü çalışma için tasarlanmıştır. Lineer mil üzerinde hassas kayma performansı sağlar ve yüksek tekrarlanabilirlik gerektiren sistemlerde verimi artırır. Teknik Özellikler
Avantajları
Kullanım Alanları
863 Serisi Neden Tercih Edilir? ✔ Uzun ömür |
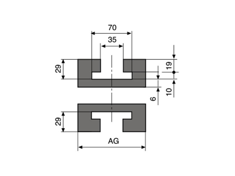
| Stok Kod | Malzeme | Bant Genişliği | AG |
|---|---|---|---|
| 202 863 082 | Alpolen® 1000 | 82,6 | 100 |
| 202 863 114 | Alpolen® 1000 | 114,3 | 130 |
| 202 863 190 | Alpolen® 1000 | 190,5 | 200 |
| 202 863 254 | Alpolen® 1000 | 254,0 | 270 |
| 202 863 304 | Alpolen® 1000 | 304,8 | 320 |

