206 AY4 modeli, konveyör sistemlerinde bant ve ürünlerin hat boyunca dengeli, sessiz ve güvenli şekilde taşınmasını sağlamak amacıyla tasarlanmış, alt yataklama ve yan destek görevlerini birlikte yerine getiren fonksiyonel bir profil çözümüdür. “AY” tasarımı sayesinde bant altı destekleme ile yan kılavuzlama tek parçada sunulur.
Yüksek performanslı teknik plastik / ALPOLEN® 1000 (UHMW-PE) malzemeden üretilen 206 AY4 profili, düşük sürtünme katsayısı sayesinde bant aşınmasını azaltır, enerji tüketimini düşürür ve sistemin servis ömrünü uzatır.
Teknik Özellikler
- Model: 206 AY4
- Ürün Tipi: Alt yataklama ve yan destek profili
- Profil Tipi: “AY” tasarım
- Malzeme: ALPOLEN® 1000 (UHMW-PE) / teknik plastik
- Sürtünme Katsayısı: Düşük
- Aşınma Dayanımı: Yüksek
- Montaj: Profil veya şase üzerine montaj
Öne Çıkan Avantajlar
- Alt yataklama ve yan destek işlevini tek profilde birleştirir
- Düşük sürtünme ile sessiz ve titreşimsiz çalışma
- Bant ve ürün aşınmasını azaltır
- Kolay montaj ve bakım
- Uzun ömürlü ve bakım gerektirmeyen yapı
- Modüler konveyör sistemleriyle tam uyum
Kullanım Alanları
- Modüler konveyör sistemleri
- Bant altı destekleme uygulamaları
- Yan kılavuz ve yönlendirme hatları
- Gıda, ambalaj ve otomasyon tesisleri
- Endüstriyel taşıma sistemleri
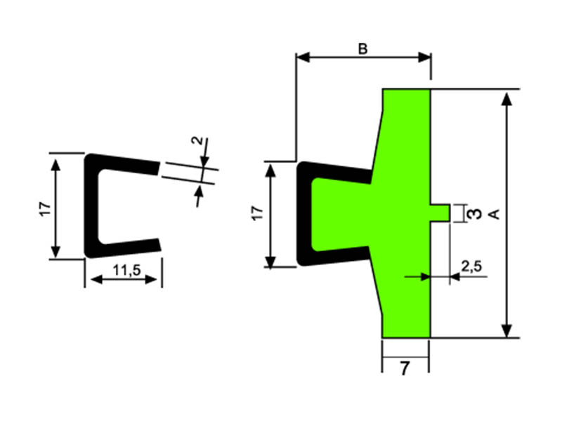
| Profil Bölümü: "Z" | ||||||
|---|---|---|---|---|---|---|
| Stok Kod | Malzeme | Kılavuz | L | A | B | Kg / m |
| 206 AY4 101 | Alpolen® 1000 - Yeşil | C 1711 SS | 2 | 43 | 21 | 0,89 |
| 206 AY4 201 | Alpolen® 1000 - Yeşil | C 1711 ZN | 2 | 43 | 21 | 0,89 |
|
L: Standart Uzunluk (metre) |
||||||

