207 AL - ALPOLEN® 1000 AL ZİNCİR KIZAKLARI
|
ALPOLEN® 1000 AL zincir kızakları, yüksek moleküler ağırlıklı polietilen (UHMW–PE) esaslı, özel katkılarla geliştirilmiş üstün kaydırma ve zincir taşıma elemanlarıdır. Alüminyum alt profil ile desteklenen bu yapı, yüksek yük altında dahi stabil çalışma ve uzun kullanım ömrü sağlar. Öne Çıkan Özellikler
Teknik Avantajlar
Kullanım Alanları Bu ürün özellikle aktif zincir taşıma sistemlerinde tercih edilir:
Neden ALPOLEN® 1000 AL? Aluminium alt profilli kızaklar, yüksek yük altında zincirin doğrusal çalışmasını garanti eder.
|
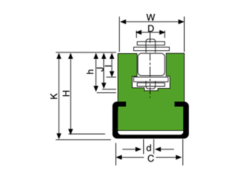
| Profil Bölümü: "TT" | ||||||||||||||||
|---|---|---|---|---|---|---|---|---|---|---|---|---|---|---|---|---|
| Stok Kod | ISO | Hatve | Kılavuz | Malzeme | W | H | K | I | J | h | d | D | C | L | Kg/m | |
| 207 ALC 038 | 06 B | 3/8" | C 2010 ZN | Alpolen® 1000 - Yeşil | 20 | 17,5 | 21 | 5,6 | 8,7 | 9,9 | 4 | 6,6 | 9,3 | 2 | 0,622 | |
| 207 ALP 038 | 06 B | 3/8" | C 2010 SS | Alpolen® 1000 - Yeşil | 20 | 17,5 | 21 | 5,6 | 8,7 | 9,9 | 4 | 6,6 | 9,3 | 2 | 0,622 | |
| 207 ALC 012 | 08 B | 1/2" | C 2812 ZN | Alpolen® 1000 - Yeşil | 28 | 27,5 | 32 | 7,6 | 11,5 | 12,7 | 5 | 8,7 | 12,8 | 2 | 1,450 | |
| 207 ALP 012 | 08 B | 1/2" | C 2812 SS | Alpolen® 1000 - Yeşil | 28 | 27,5 | 32 | 7,6 | 11,5 | 12,7 | 5 | 8,7 | 12,8 | 2 | 1,450 | |
| 207 ALC 058 | 10 B | 5/8" | C 2812 ZN | Alpolen® 1000 - Yeşil | 28 | 27,5 | 32 | 9,3 | 13,5 | 14,8 | 6 | 10,4 | 15,4 | 2 | 1,402 | |
| 207 ALP 058 | 10 B | 5/8" | C 2812 SS | Alpolen® 1000 - Yeşil | 28 | 27,5 | 32 | 9,3 | 13,5 | 14,8 | 6 | 10,4 | 15,4 | 2 | 1,402 | |
| 207 ALC 034 | 12 B | 3/4" | C 3818 ZN | Alpolen® 1000 - Yeşil | 38 | 34 | 43 | 11,5 | 15,9 | 17,5 | 7 | 12,3 | 16,9 | 2 | 1,709 | |
| 207 ALP 034 | 12 B | 3/4" | C 3818 SS | Alpolen® 1000 - Yeşil | 38 | 34 | 43 | 11,5 | 15,9 | 17,5 | 7 | 12,3 | 16,9 | 2 | 1,709 | |
| 207 ALC 100 | 16 B | 1" | C 3818 ZN | Alpolen® 1000 - Yeşil | 38 | 40 | 50 | 15,9 | 25,7 | 28,2 | 9 | 16,2 | 24,2 | 2 | 1,600 | |
| 207 ALP 100 | 16 B | 1" | C 3818 SS | Alpolen® 1000 - Yeşil | 38 | 40 | 50 | 15,9 | 25,7 | 28,2 | 9 | 16,2 | 24,2 | 2 | 1,600 | |
| 207 ALC 114 | 20 B | 1 1/4" | C 6020 ZN | Alpolen® 1000 - Yeşil | 60 | 45 | 55 | 19,4 | 29,3 | 31,2 | 11 | 19,3 | 27,5 | 2 | 4,800 | |
| 207 ALP 114 | 20 B | 1 1/4" | C 6020 SS | Alpolen® 1000 - Yeşil | 60 | 45 | 55 | 19,4 | 29,3 | 31,2 | 11 | 19,3 | 27,5 | 2 | 4,800 | |
| 207 ALC 112 | 24 B | 1 1/2" | C 6020 ZN | Alpolen® 1000 - Yeşil | 60 | 55 | 65 | 25,2 | 38,2 | 40,1 | 16 | 25,7 | 36,5 | 2 | 5,000 | |
| 207 ALP 112 | 24 B | 1 1/2" | C 6020 SS | Alpolen® 1000 - Yeşil | 60 | 55 | 65 | 25,2 | 38,2 | 40,1 | 16 | 25,7 | 36,5 | 2 | 5,000 | |
| 207 ALC 134 | 28 B | 1 3/4" | C 6020 ZN | Alpolen® 1000 - Yeşil | 70 | 70 | 80 | 30,8 | 46,9 | 48,9 | 17 | 28,3 | 41,5 | 2 | 6,200 | |
| 207 ALP 134 | 28 B | 1 3/4" | C 6020 SS | Alpolen® 1000 - Yeşil | 70 | 70 | 80 | 30,8 | 46,9 | 48,9 | 17 | 28,3 | 41,5 | 2 | 6,200 | |
| 207 ALC 200 | 32 B | 2" | C 6020 ZN | Alpolen® 1000 - Yeşil | 70 | 70 | 80 | 30,8 | 47,3 | 53,0 | 19 | 29,6 | 44,5 | 2 | 6,200 | |
| 207 ALP 200 | 32 B | 2" | C 6020 SS | Alpolen® 1000 - Yeşil | 70 | 70 | 80 | 30,8 | 47,3 | 53,0 | 19 | 29,6 | 44,5 | 2 | 6,200 | |
| L: Standart Uzunluk (metre) | ||||||||||||||||
