|
207 DY / 207 KDC – ALPOLEN® 1000 dikey kulaklı zincir kızakları, konveyör zincirlerinin dikey yönde konumlandırılmasını sağlayan özel kulak yapısı sayesinde zincirin hat üzerinde stabil bir şekilde hareket etmesini garanti eder. ALPOLEN® 1000 (UHMW-PE) malzeme, yüksek aşınma dayanımı ve düşük sürtünme özelliği ile uzun kullanım ömrü sunar. ✔ Dikey kulaklı özel tasarım Kullanım Alanları
Teknik / Malzeme Özellikleri
Ürün Avantajları
|
| L: Standart Uzunluk (metre) | |||||||||||||
|---|---|---|---|---|---|---|---|---|---|---|---|---|---|
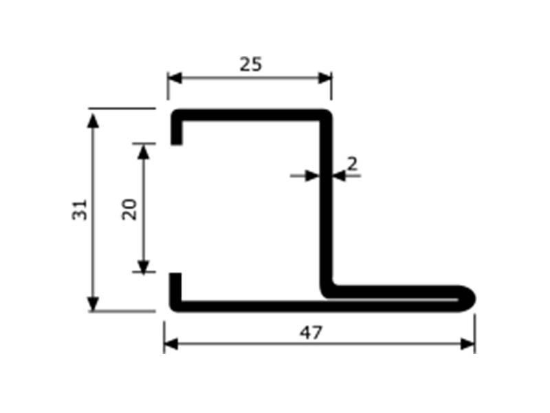
| Stok Kod | Hatve | Malzeme | W | K | L | I | J | h | d | D | Kılavuz | L | Kg / m |
| 207 DYC 038 | 3/8" | Alpolen® 1000 - Yeşil | 25 | 31 | 47 | 5,6 | 8,7 | 10 | 4 | 6,6 | ZN | 2 | 2,150 |
| 207 DYP 038 | 3/8" | Alpolen® 1000 - Yeşil | 25 | 31 | 47 | 5,6 | 8,7 | 10 | 4 | 6,6 | SS | 2 | 2,150 |
| 207 DYC 012 | 1/2" | Alpolen® 1000 - Yeşil | 25 | 31 | 47 | 7,6 | 11,5 | 13 | 5 | 8,7 | ZN | 2 | 2,150 |
| 207 DYP 012 | 1/2" | Alpolen® 1000 - Yeşil | 25 | 31 | 47 | 7,6 | 11,5 | 13 | 5 | 8,7 | SS | 2 | 2,150 |
| 207 DYC 058 | 5/8" | Alpolen® 1000 - Yeşil | 25 | 31 | 47 | 9,3 | 13,5 | 14,5 | 6 | 10,4 | ZN | 2 | 2,100 |
| 207 DYP 058 | 5/8" | Alpolen® 1000 - Yeşil | 25 | 31 | 47 | 9,3 | 13,5 | 14,5 | 6 | 10,4 | SS | 2 | 2,100 |
| 207 DYC 034 | 3/4" | Alpolen® 1000 - Yeşil | 25 | 31 | 47 | 11,5 | 15,9 | 17,5 | 7 | 12,3 | ZN | 2 | 2,060 |
| 207 DYP 034 | 3/4" | Alpolen® 1000 - Yeşil | 25 | 31 | 47 | 11,5 | 15,9 | 17,5 | 7 | 12,3 | SS | 2 | 2,060 |
| Profil Bölümü: "C" | |||
|---|---|---|---|
| Stok Kod | Kılavuz | L | Kg / m |
| 207 KDC 003 | ZN | 2 | 1,200 |
| 207 KDP 004 | SS | 2 | 1,200 |
| L: Standart Uzunluk (metre) | |||

