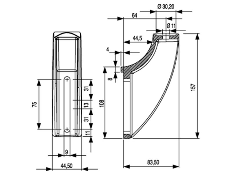
210 – Dönüşlü Konsol Gövdesi (Orta Boy), konveyör sistemleri, profil konstrüksiyonları ve mengene uygulamalarında yön değişimi gereken bağlantı noktaları için tasarlanmış, orta boy dayanımlı bir taşıyıcı gövdedir. Ayarlanabilir dönüş mekanizması sayesinde konveyör ve aparat sistemlerinde yüksek esneklik ve hassas pozisyonlama sağlar.
Öne Çıkan Özellikler
- Ayarlanabilir Dönüş Mekanizması: Konsolun belirli açılarla yön değiştirmesine olanak tanır.
- Orta Boy Güçlendirilmiş Yapı: Orta ölçekli yüklerde yüksek stabilite ve rijitlik sağlar.
- Geniş Montaj Uyumluluğu: 210 serisi mengene, tutgaç ve konsol bileşenleri ile tam uyumludur.
- Titreşim ve Darbe Direnci: Hareketli yapılarda dahi stabil çalışma sunar.
- Endüstriyel Kullanıma Uygun: Sürekli çalışma döngülerine ve yoğun uygulamalara dayanıklıdır.
Kullanım Alanları
- Konveyör dönüş noktaları
- Profilli makine ve otomasyon sistemlerinde yön değiştirici bağlantılar
- Mengene ve aparat montajlarında ayarlanabilir taşıyıcı yapı
- Özel açılı profil bağlantı çözümleri
- Modüler sistemlerde hareketli bağlantı gerektiren bölgeler
Teknik Avantajlar
- Esnek kullanım için ayarlanabilir dönüş hareketi
- Orta boy sistemlerde yüksek taşıma kapasitesi
- Montaj kolaylığı sağlayan standart delik yapısı
- Sistemde yönlendirme hassasiyetini artırır
- Endüstriyel sınıfta uzun ömürlü malzeme kalitesi
| Stok Kod | LA | FT (N) | KG | ![]() |
|---|---|---|---|---|
| 210 IDT 200 | 9 | 6000 | 0.18 | 100 |


