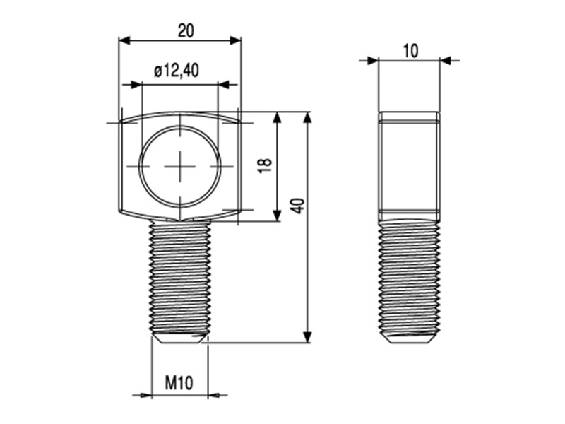
Yüksük Konsol Gövde Takımı, 210 serisi mengene ve bağlantı sistemlerinde kullanılan, yüksek dayanım ve stabilite sağlayan özel bir gövde bileşenidir. Konsol formu sayesinde yük aktarımını güvenli şekilde gerçekleştirir ve yüksük yapısı, sistemin hem hassas hem de sağlam bir şekilde konumlandırılmasına olanak tanır. Endüstriyel montaj, otomasyon ve profil konstrüksiyon uygulamalarında geniş kullanım alanına sahiptir.
Ürün Özellikleri
- Konsol gövde tasarımı: Yatay ve dikey yüklere karşı yüksek dayanım sağlar.
- Yüksük yapısı: Mengene sistemlerinde hassas konumlama ve kontrollü sıkma imkânı sunar.
- Endüstriyel kalite: Yoğun kullanım koşullarına dayanıklı, yüksek mukavemetli gövde malzemesi.
- 210 serisi ile tam uyum: Mengene ve bağlantı elemanlarıyla sorunsuz entegrasyon.
- Kolay montaj: Profil kanallarına hızlı ve sağlam şekilde bağlanabilir.
Kullanım Alanları
- 210 serisi mengene sistemleri
- Otomasyon ve makine ekipmanları
- Alüminyum profil konstrüksiyonları
- Üretim ve montaj hatları
- Aparat, jig ve fikstür imalatı
Avantajları
- Güvenilir yük taşıma kapasitesi
- Uzun ömürlü gövde dayanımı
- Stabil ve hassas konumlandırma
- Çok yönlü kullanım imkânı
- Profil sistemleriyle yüksek uyumluluk
| Stok Kod | Malzeme | KG | ![]() |
|---|---|---|---|
| 210 122 100 | PA (Poliamid) | 0.005 | 100 |
| 210 222 100 | ZN (Galvaniz) | 0.030 | 100 |
| 210 322 100 | SS (Paslanmaz) | 0.030 | 100 |
| 210 422 100 | BR (Krom Kaplı Pirinç) | 0.030 | 100 |


