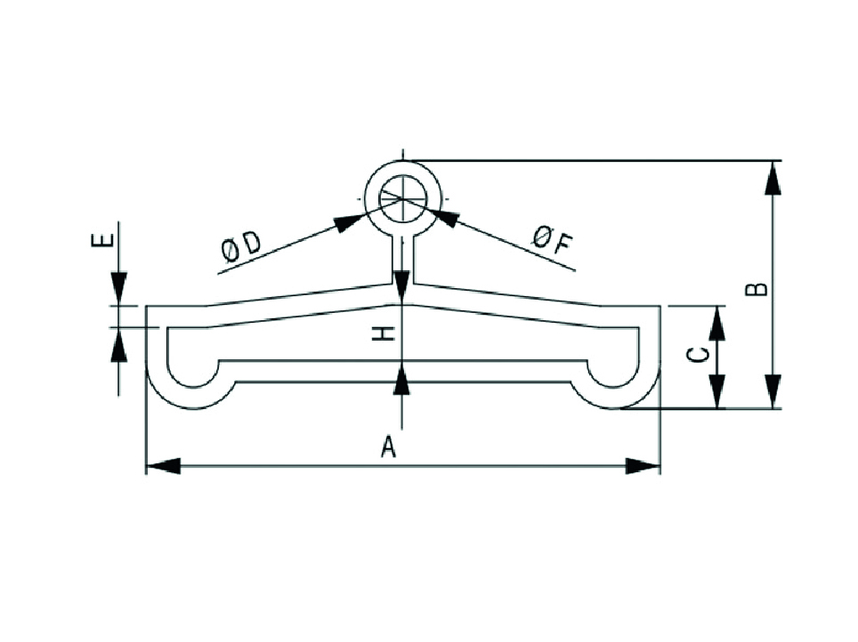
60 mm ve 80 mm PVC profiller için özel olarak tasarlanan Milli Mengene, yüksek konumlama doğruluğu, güçlü sıkma performansı ve dayanıklı yapısı ile endüstriyel uygulamalarda güvenilir bir sabitleme çözümü sunar. Milli yapısı sayesinde PVC profil üzerinde doğru pozisyonlama sağlar ve tekrarlı kullanımda bile stabil tutuş performansını korur.
Ürün Özellikleri
- Milli tasarım: Profil içinde hassas ve kontrollü konumlandırma sağlar.
- 60/80 mm PVC profillere özel uyum: Profil geometrisine tam oturan sıkma mekanizması.
- Tekli mengene yapısı: Güçlü ve stabil tek nokta sıkma performansı.
- Dayanıklı metal gövde: PVC profil uygulamalarına uygun yüksek mukavemetli yapı.
- Kolay montaj: Profil kanalına hızlı ve güvenli şekilde yerleşir.
Kullanım Alanları
- 60 mm PVC profiller
- 80 mm PVC profiller
- Montaj ve üretim hatları
- Otomasyon ve makine sistemleri
- Jig ve fikstür imalatı
- Hafif konstrüksiyon ve taşıma uygulamaları
Avantajları
- Milli yapı sayesinde yüksek pozisyonlama doğruluğu
- Geniş ve dengeli sıkma yüzeyi
- PVC profiller için optimize edilmiş özel tasarım
- Güçlü, stabil ve uzun ömürlü gövde
- Kolay montaj ve pratik kullanım
| Stok Kod | DE | KG | ![]() |
|---|---|---|---|
| 211 60P MLL | 12 | 0.135 | 50 |


