|
215 – ALPOLEN® 1000 90 derece dönüş yatakları, 880TAB ve 881TAB dönüşlü konveyör bantlarında bantların dönüş noktasında sürtünmesiz, sessiz ve yüksek hassasiyetle yön değiştirmesini sağlamak için özel olarak tasarlanmıştır. Yüksek kayganlığa sahip ALPOLEN® 1000 (UHMW-PE) malzemesi sayesinde bant dönüş bölgesinde oluşan aşınmayı minimum seviyeye indirir, enerji tüketimini azaltır ve bant ömrünü uzatır. Malzeme Özellikleri – ALPOLEN® 1000 (UHMW-PE)
Ürün Avantajları
Kullanım Alanları
Montaj & Uyum
Neden 215 Dönüş Yatağı? ✔ Dönüşlerde bant yapısını korur |
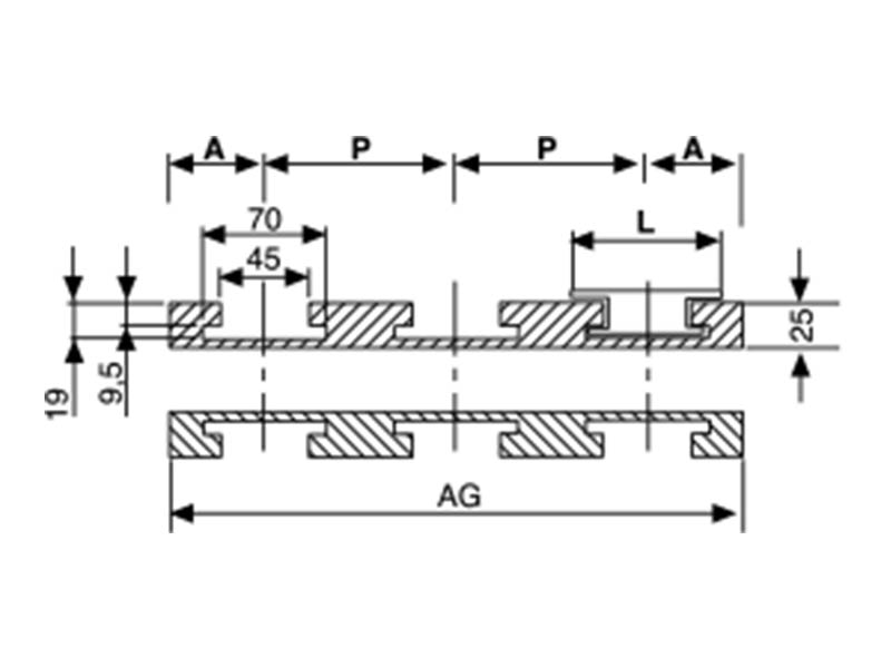
| L = 82,6 P = 84mm | ||||
|---|---|---|---|---|
| Stok Kod | Malzeme | R1 | Sıra | AG |
| 215 500 182 | Alpolen® 1000 | 500 | 1 | 100 |
| 215 500 282 | Alpolen® 1000 | 500 | 2 | 184 |
| 215 500 382 | Alpolen® 1000 | 500 | 3 | 268 |
| 215 500 482 | Alpolen® 1000 | 500 | 4 | 352 |
| 215 500 582 | Alpolen® 1000 | 500 | 5 | 436 |
| 215 500 682 | Alpolen® 1000 | 500 | 6 | 520 |
| 215 610 182 | Alpolen® 1000 | 610 | 1 | 100 |
| 215 610 282 | Alpolen® 1000 | 610 | 2 | 184 |
| 215 610 382 | Alpolen® 1000 | 610 | 3 | 268 |
| 215 610 482 | Alpolen® 1000 | 610 | 4 | 352 |
| 215 610 582 | Alpolen® 1000 | 610 | 5 | 436 |
| 215 610 682 | Alpolen® 1000 | 610 | 6 | 520 |
| 215 800 182 | Alpolen® 1000 | 800 | 1 | 100 |
| 215 800 282 | Alpolen® 1000 | 800 | 2 | 184 |
| 215 800 382 | Alpolen® 1000 | 800 | 3 | 268 |
| 215 800 482 | Alpolen® 1000 | 800 | 4 | 352 |
| 215 800 582 | Alpolen® 1000 | 800 | 5 | 436 |
| 215 800 682 | Alpolen® 1000 | 800 | 6 | 520 |
| 215 100 182 | Alpolen® 1000 | 1000 | 1 | 100 |
| 215 100 282 | Alpolen® 1000 | 1000 | 2 | 184 |
| 215 100 382 | Alpolen® 1000 | 1000 | 3 | 268 |
| 215 100 482 | Alpolen® 1000 | 1000 | 4 | 352 |
| 215 100 582 | Alpolen® 1000 | 1000 | 5 | 436 |
| 215 100 682 | Alpolen® 1000 | 1000 | 6 | 520 |
| L = 114,3 P = 120mm | ||||
|---|---|---|---|---|
| Stok Kod | Malzeme | R1 | Sıra | AG |
| 215 500 114 | Alpolen® 1000 | 500 | 1 | 130 |
| 215 500 214 | Alpolen® 1000 | 500 | 2 | 250 |
| 215 610 114 | Alpolen® 1000 | 610 | 1 | 130 |
| 215 610 214 | Alpolen® 1000 | 610 | 2 | 250 |
| 215 800 114 | Alpolen® 1000 | 800 | 1 | 130 |
| 215 800 214 | Alpolen® 1000 | 800 | 2 | 250 |
| 215 100 114 | Alpolen® 1000 | 1000 | 1 | 130 |
| 215 100 214 | Alpolen® 1000 | 1000 | 2 | 250 |
| L = 190,5 P = 196mm | ||||
|---|---|---|---|---|
| Stok Kod | Malzeme | R1 | Sıra | AG |
| 215 500 119 | Alpolen® 1000 | 500 | 1 | 200 |
| 215 500 219 | Alpolen® 1000 | 500 | 2 | 396 |
| 215 610 119 | Alpolen® 1000 | 610 | 1 | 200 |
| 215 610 219 | Alpolen® 1000 | 610 | 2 | 396 |
| 215 800 119 | Alpolen® 1000 | 800 | 1 | 200 |
| 215 800 219 | Alpolen® 1000 | 800 | 2 | 396 |
| 215 100 119 | Alpolen® 1000 | 1000 | 1 | 200 |
| 215 100 219 | Alpolen® 1000 | 1000 | 2 | 396 |
