|
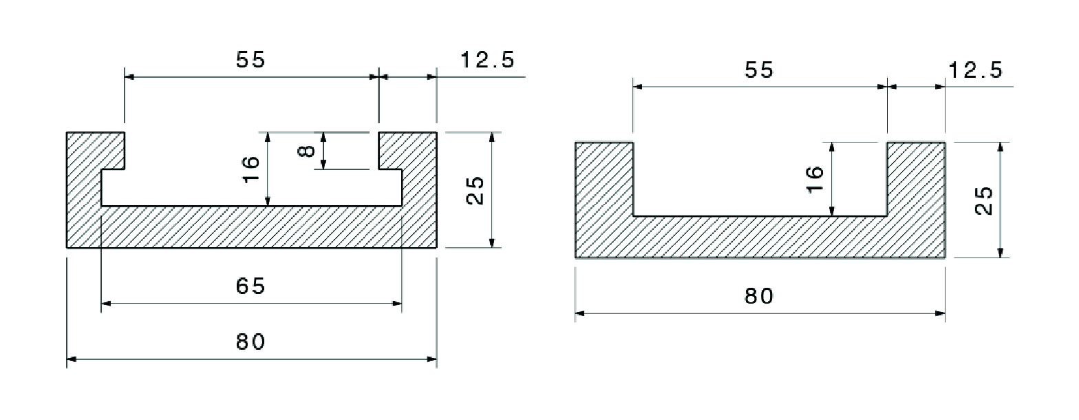
220 KRK Kardenik bant kızakları, kardenik (cardanic) konveyör bantların stabil ve düşük sürtünme ile çalışmasını sağlayan özel kızak sistemleridir. Kardenik bantların esnek yapısına uyumlu olarak tasarlanan bu kızaklar, bant hareketini optimize eder, aşınmayı azaltır ve yüksek hat verimliliği sağlar. Yüksek kayganlık özelliğine sahip özel polimer malzemeden üretilen KRK serisi, sessiz çalışma, uzun ömür ve bakım gerektirmeyen kullanım sunar. Öne Çıkan Özellikler
Avantajları
Kullanım Alanları
Malzeme Özellikleri
Montaj ve Uyum
Neden KRK Model? ✔ Kardenik bantlar için optimize edilmiş yüzey |
|
Stok Kod |
Malzeme | Kullanılabilir Bantlar |
|---|---|---|
| 220 KRK 870 | Alpolen® 1000 - Yeşil | 870, 871, 875, 867 |
| 220 KRK 876 | Alpolen® 1000 - Yeşil | 876 |
| Standart Uzunluk (metre) | ||

