240-1 Ara Bağlantı Takozu, konveyör sistemleri ve alüminyum profil konstrüksiyonlarda iki parça arasında sağlam, hizalı ve güvenli bağlantı sağlamak amacıyla tasarlanmıştır. Kompakt ve dayanıklı yapısı sayesinde sistem bütünlüğünü korur ve montaj süreçlerini kolaylaştırır.
Öne Çıkan Özellikler
- Yüksek dayanımlı malzeme yapısı
- Parçalar arasında güçlü ve stabil bağlantı
- Hassas hizalama sağlayan kompakt tasarım
- Konveyör ve profil sistemleriyle uyumlu yapı
- Kolay ve hızlı montaj imkânı
- Uzun ömürlü, bakım gerektirmeyen kullanım
Kullanım Alanları
- Konveyör şase ve iskelet sistemleri
- Alüminyum profil konstrüksiyonlar
- Otomasyon ve üretim hatları
- Makine ve ekipman bağlantıları
- Modüler sistem uygulamaları
Avantajları
Ara bağlantı takozu, sistem elemanlarının düzgün hizalanmasını sağlar, bağlantı noktalarındaki boşlukları minimize eder ve yapısal dayanımı artırır. Modüler yapısı sayesinde farklı uygulamalarda esnek kullanım sunar.
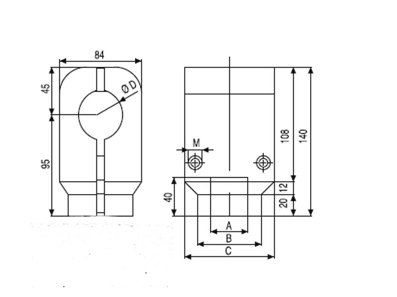
| Stok Kod | Malzeme | A | B | C | D | M | Renk | KG | ![]() |
|---|---|---|---|---|---|---|---|---|---|
| 240.021.170 | Güçlendirilmiş Polyamid | 60 | 84 | 48,3 | 8 | 48,3 | Siyah | 0.920 | 12 |


