240-4 Yan Bağlantı Takozu, konveyör sistemleri ve alüminyum profil konstrüksiyonlarda yan elemanların sağlam, hizalı ve güvenli şekilde bağlanmasını sağlamak amacıyla tasarlanmıştır. Dayanıklı yapısı sayesinde sistem stabilitesini artırır ve uzun ömürlü kullanım sunar.
Öne Çıkan Özellikler
- Yüksek dayanımlı malzeme yapısı
- Yan bağlantılarda güçlü ve stabil tutuş
- Doğru hizalama sağlayan kompakt tasarım
- Konveyör ve profil sistemleriyle uyumlu yapı
- Kolay ve hızlı montaj imkânı
- Titreşimi azaltan bağlantı performansı
Kullanım Alanları
- Konveyör yan şase ve taşıyıcı sistemleri
- Alüminyum profil konstrüksiyonlar
- Otomasyon ve üretim hatları
- Makine ve ekipman yan bağlantıları
- Modüler sistem uygulamaları
Avantajları
Yan bağlantı takozu, sistem elemanları arasındaki bağlantı noktalarını güçlendirir, yapısal rijitliği artırır ve montaj sürecini hızlandırır. Endüstriyel ortamlarda güvenilir ve uzun ömürlü bir bağlantı çözümüdür.
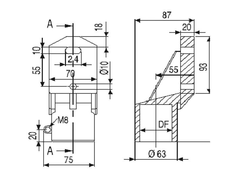
| Stok Kod | Malzeme | DF (mm) | FT (N) | KG | ![]() |
|---|---|---|---|---|---|
| 240.021.200 | Güçlendirilmiş Polyamid | 48,3 | 1500 | 0.300 | 14 |


