Spiral Konveyör Sistemleri İçin Yüksek Hassasiyetli ve Güçlü Tahrik Çözümü
380 Spiral Dönüşlü 50,8 mm Bant Dişlisi (Talaşlı İmalat), yüksek hassasiyet gerektiren spiral modüler konveyör sistemleri için özel olarak işlenmiş, ağır hizmet tipi tahrik dişlisidir. Talaşlı imalat yöntemi sayesinde ölçü hassasiyeti yüksek, dengeli ve uzun ömürlü performans sunar.
🔧 Ürün Özellikleri
- Ürün Tipi: Spiral dönüşlü modüler bant dişlisi
- Bant Adımı (Pitch): 50,8 mm
- Üretim Yöntemi: Talaşlı imalat (CNC işleme)
- Uyumlu Bantlar: 50,8 mm adımlı spiral modüler bantlar
- Dişli Profili: Spiral dönüşe uygun yüksek hassasiyetli kavrama geometrisi
- Malzeme Seçenekleri: POM, PA, çelik, paslanmaz çelik (uygulamaya göre)
- Montaj Tipi: Mil geçmeli / kamalı / sıkmalı
- Çalışma Tipi: Sürekli çalışma ve ağır hizmet uygulamalarına uygun
🚀 Avantajları
- Yüksek Ölçü Hassasiyeti: Talaşlı imalat sayesinde bantla mükemmel kavrama
- Spiral Hatlarda Stabil Tahrik: Dönüşlerde bant kaçmasını ve düzensiz ilerlemeyi önler
- Ağır Yük Taşıma Kapasitesi: Yüksek tork gerektiren uygulamalarda güvenilir performans
- Sessiz ve Dengeli Çalışma: Titreşim ve gürültüyü minimum seviyede tutar
- Uzun Ömürlü Yapı: Aşınmaya ve sürekli yüke karşı yüksek dayanım
🏭 Kullanım Alanları
- Spiral modüler bant konveyörleri
- 50,8 mm adımlı spiral taşıma sistemleri
- Ağır hizmet tipi konveyör hatları
- Gıda, ambalaj ve endüstriyel üretim tesisleri
- Spiral soğutma ve akümülasyon sistemleri
📐 Teknik Bilgiler
- Dişli Adımı: 50,8 mm
- Mil Çapı: Projeye göre özelleştirilebilir
- Dişli Genişliği: Bant genişliğine göre üretilir
- Yüzey Toleransları: Talaşlı imalat ile yüksek hassasiyet
- Çalışma Ortamı: Sürekli, yüksek tork ve hassas hizalama gerektiren sistemler
Not: Talaşlı imalat dişliler, yüksek yük ve hassasiyet gerektiren uygulamalarda enjeksiyon dişlilere göre tercih edilir.
❓ Sıkça Sorulan Sorular (SSS)
Talaşlı imalat dişli ile standart dişli arasındaki fark nedir?
Talaşlı imalat dişliler daha yüksek ölçü hassasiyeti, dayanım ve tork kapasitesi sunar.
Gıda sektörüne uygun üretim yapılabilir mi?
Evet. Gıda uyumlu plastik veya paslanmaz çelik malzemelerle üretim mümkündür.
Özel ölçü ve mil bağlantısı yapılabilir mi?
Evet. Mil çapı, kama yuvası ve bağlantı detayları projeye göre özel üretilir.
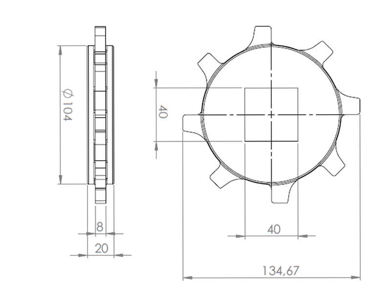
| Stok Kod | Z-İmalat Şekli | DE | DP | DF |
|---|---|---|---|---|
| 380 ABC Z06 | 6-Talaşlı | 104 | 72 | 40x40 |
| 380 ABC 006 | 6-Talaşlı | 104 | 72 | Ø25 |
| 380 ABC 106 | 6-Talaşlı | 104 | 72 | Ø30 |
| 380 ABC Z08 | 8-Talaşlı | 135 | 104 | 40x40 |
| 380 ABC 008 | 8-Talaşlı | 135 | 104 | Ø25 |
| 380 ABC 108 | 8-Talaşlı | 135 | 104 | Ø30 |
| 380 ABC Z10 | 10-Talaşlı | 166 | 135 | 40x40 |
| 380 ABC 010 | 10-Talaşlı | 166 | 135 | Ø25 |
| 380 ABC 110 | 10-Talaşlı | 166 | 135 | Ø30 |
| 380 ABC Z11 | 11-Kalıplı | 173 | 153 | 40x40 |
| 380 ABC 116 | 16-Talaşlı | 261 | 230 | 40x40 |

