510 - Plastik Taban ve Galvaniz Saplamalı Pabuç, konveyör ve endüstriyel makine sistemlerinde seviye ayarı, dengeleme ve stabil destek sağlamak amacıyla tasarlanmış ekonomik ve dayanıklı bir ayak pabuç çözümüdür. Yüksek dayanımlı plastik tabanı ve galvaniz kaplı çelik saplaması sayesinde güvenilir performans sunar.
Öne Çıkan Özellikler
- Dayanıklı plastik taban ile zemin koruyucu yapı
- Galvaniz kaplı çelik saplama ile korozyona karşı direnç
- Ayarlanabilir saplama yapısı ile kolay seviye ayarı
- Titreşimi azaltan stabil taban tasarımı
- Hızlı montaj ve pratik kullanım
- Uzun ömürlü, bakım gerektirmeyen yapı
Kullanım Alanları
- Konveyör ayak ve şase sistemleri
- Endüstriyel makineler ve ekipmanlar
- Paketleme ve otomasyon hatları
- Depolama ve lojistik sistemleri
- Orta yük taşıma uygulamaları
Avantajları
Plastik taban ve galvaniz saplamalı pabuç, zemin düzensizliklerini hızlıca telafi eder, makine ve konveyör sistemlerinin dengeli çalışmasını sağlar. Ekonomik yapısı ve sağlamlığı sayesinde endüstriyel uygulamalarda güvenilir bir çözümdür.
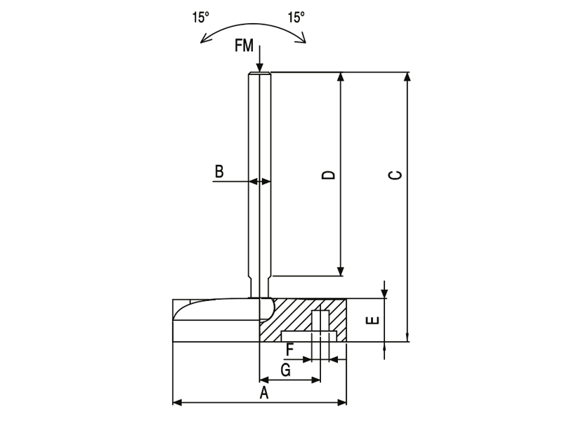
| Stok Kod | A | B | C | D | Kg | ![]() |
N (Newton) |
|---|---|---|---|---|---|---|---|
| 510 600 880 | 60 | M8 | 82 | 45 | 0,080 | 50 | 12000 |
| 510 601 080 | 60 | M10 | 82 | 45 | 0,090 | 50 | 12000 |
| 510 601 010 | 60 | M10 | 112 | 75 | 0,100 | 50 | 12000 |
| 510 601 880 | 60 | M12 | 82 | 45 | 0,110 | 50 | 12000 |
| 510 601 210 | 60 | M12 | 112 | 75 | 0,120 | 50 | 12000 |
| 510 601 215 | 60 | M12 | 162 | 125 | 0,168 | 50 | 14000 |
| 510 601 408 | 60 | M14 | 82 | 45 | 0,112 | 50 | 14000 |
| 510 601 410 | 60 | M14 | 108 | 75 | 0,137 | 50 | 14000 |
| 510 601 415 | 60 | M14 | 158 | 125 | 0,203 | 50 | 14000 |
| 510 601 610 | 60 | M16 | 108 | 75 | 0,150 | 50 | 15000 |
| 510 610 615 | 60 | M16 | 158 | 125 | 0,215 | 50 | 15000 |
| 510 601 620 | 60 | M16 | 208 | 180 | 0,279 | 50 | 15000 |
| 510 602 010 | 60 | M20 | 108 | 75 | 0,175 | 50 | 16000 |
| 510 602 015 | 60 | M20 | 158 | 125 | 0,250 | 50 | 16000 |
| 510 602 020 | 60 | M20 | 208 | 180 | 0,325 | 40 | 16000 |
| 510 800 880 | 80 | M8 | 80 | 45 | 0,100 | 40 | 16000 |
| 510 801 080 | 80 | M10 | 80 | 45 | 0,100 | 40 | 10000 |
| 510 801 010 | 80 | M10 | 108 | 75 | 0,120 | 40 | 12000 |
| 510 801 880 | 80 | M12 | 82 | 45 | 0,110 | 40 | 12000 |
| 510 801 210 | 80 | M12 | 108 | 75 | 0,135 | 40 | 12000 |
| 510 801 215 | 80 | M12 | 158 | 125 | 0,183 | 40 | 12000 |
| 510 801 408 | 80 | M14 | 81 | 45 | 0,130 | 40 | 12000 |
| 510 801 410 | 80 | M14 | 108 | 75 | 0,152 | 40 | 18000 |
| 510 801 415 | 80 | M14 | 158 | 125 | 0,218 | 40 | 15000 |
| 510 801 610 | 80 | M16 | 108 | 75 | 0,167 | 40 | 18000 |
| 510 801 615 | 80 | M16 | 158 | 125 | 0,230 | 40 | 18000 |
| 510 801 620 | 80 | M16 | 208 | 180 | 0,294 | 40 | 18000 |
| 510 802 010 | 80 | M20 | 108 | 75 | 0,190 | 40 | 10000 |
| 510 802 015 | 80 | M20 | 158 | 125 | 0,265 | 40 | 12000 |
| 510 802 020 | 80 | M20 | 208 | 180 | 0,340 | 40 | 12000 |
| 510 101 610 | 100 | M16 | 108 | 75 | 0,222 | 40 | 18000 |
| 510 101 615 | 100 | M16 | 158 | 125 | 0,285 | 40 | 15000 |
| 510 101 620 | 100 | M16 | 208 | 180 | 0,349 | 40 | 15000 |
| 510 102 010 | 100 | M20 | 108 | 75 | 0,245 | 40 | 19000 |
| 510 102 015 | 100 | M20 | 158 | 125 | 0,320 | 40 | 19000 |
| 510 102 020 | 100 | M20 | 208 | 180 | 0,395 | 40 | 19000 |
| 510 102 415 | 100 | M24 | 158 | 125 | 0,365 | 30 | 20000 |
| 510 102 420 | 100 | M24 | 208 | 180 | 0,455 | 30 | 20000 |


