560 - Komple Paslanmaz Pabuç, konveyör ve endüstriyel taşıma sistemlerinde hijyen, dayanıklılık ve uzun ömürlü kullanım gerektiren uygulamalar için tasarlanmış yüksek kaliteli bir sabitleme ve destek elemanıdır. Tamamen paslanmaz çelikten üretilmiş yapısı sayesinde korozyona karşı üstün direnç sunar ve zorlu çalışma koşullarında güvenilir performans sağlar.
Öne Çıkan Özellikler
- Tam paslanmaz çelik gövde ile maksimum korozyon direnci
- Hijyenik tasarım – gıda ve ilaç endüstrisine uygun
- Yüksek taşıma kapasitesi ve sağlam yapı
- Titreşimi azaltan stabil destek performansı
- Uzun ömürlü, bakım gereksinimi düşük kullanım
- Konveyör ayakları ve makine şaseleriyle uyumlu montaj
Kullanım Alanları
- Gıda işleme ve paketleme hatları
- İlaç ve kimya endüstrisi
- Yıkamalı (wash-down) üretim alanları
- Konveyör ayak ve şase sistemleri
- Nemli ve agresif çalışma ortamları
Avantajları
Komple paslanmaz pabuç, ortam koşullarından etkilenmeden güvenli destek sağlar, sistem stabilitesini artırır ve uzun vadede bakım maliyetlerini düşürür. Hijyen gerektiren üretim alanlarında güvenle kullanılabilecek ideal bir çözümdür.
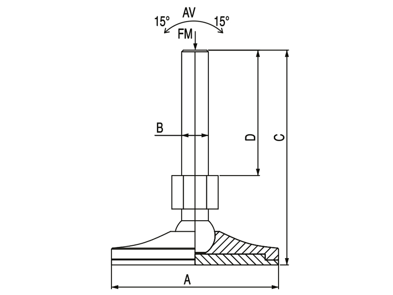
| Stok Kod | A | B | C | D | KG | ![]() |
FM N (Newton) |
|---|---|---|---|---|---|---|---|
| 560 501 610 | 50 | M16 | 104 | 55 | 0,370 | 50 | 18000 |
| 560 501 615 | 50 | M16 | 154 | 105 | 0,440 | 50 | 18000 |
| 560 501 621 | 50 | M16 | 204 | 155 | 0,530 | 40 | 18000 |
| 560 601 610 | 60 | M16 | 104 | 55 | 0,420 | 50 | 20000 |
| 560 601 615 | 60 | M16 | 154 | 105 | 0,490 | 50 | 20000 |
| 560 601 621 | 60 | M16 | 204 | 155 | 0,550 | 40 | 20000 |
| 560 602 010 | 60 | M20 | 104 | 55 | 0,661 | 50 | 20000 |
| 560 602 015 | 60 | M20 | 154 | 105 | 0,480 | 50 | 20000 |
| 560 602 021 | 60 | M20 | 204 | 155 | 0,580 | 40 | 20000 |
| 560 801 610 | 80 | M16 | 104 | 55 | 0,710 | 50 | 30000 |
| 560 801 615 | 80 | M16 | 154 | 105 | 0,655 | 50 | 30000 |
| 560 801 621 | 80 | M16 | 204 | 155 | 0,735 | 40 | 30000 |
| 560 802 010 | 80 | M20 | 104 | 55 | 0,650 | 50 | 30000 |
| 560 802 015 | 80 | M20 | 154 | 105 | 0,760 | 50 | 30000 |
| 560 802 021 | 80 | M20 | 204 | 155 | 0,885 | 40 | 30000 |
| 560 101 610 | 100 | M16 | 104 | 55 | 0,755 | 30 | 35000 |
| 560 101 615 | 100 | M16 | 154 | 105 | 0,805 | 25 | 35000 |
| 560 101 621 | 100 | M16 | 204 | 155 | 0,885 | 20 | 35000 |
| 560 102 010 | 100 | M20 | 104 | 55 | 0,810 | 40 | 45000 |
| 560 102 015 | 100 | M20 | 154 | 105 | 0,910 | 30 | 45000 |
| 560 102 021 | 100 | M20 | 204 | 155 | 1,035 | 20 | 45000 |
| 560 102 029 | 100 | M20 | 294 | 245 | 1,120 | 20 | 45000 |
| 560 102 415 | 100 | M24 | 154 | 105 | 1,040 | 25 | 55000 |
| 560 102 421 | 100 | M24 | 214 | 155 | 1,220 | 20 | 55000 |
| 560 102 429 | 100 | M24 | 294 | 245 | 1,545 | 20 | 55000 |
| 560 121 610 | 120 | M16 | 104 | 55 | 0,900 | 30 | 45000 |
| 560 121 615 | 120 | M16 | 154 | 105 | 0,960 | 20 | 45000 |
| 560 121 621 | 120 | M16 | 204 | 155 | 1,020 | 10 | 45000 |
| 560 121 629 | 120 | M16 | 294 | 245 | 1,230 | 10 | 45000 |
| 560 122 010 | 120 | M20 | 104 | 55 | 1,025 | 30 | 45000 |
| 560 122 015 | 120 | M20 | 154 | 105 | 1,075 | 25 | 45000 |
| 560 122 021 | 120 | M20 | 204 | 155 | 1,120 | 10 | 45000 |
| 560 122 029 | 120 | M20 | 294 | 245 | 1,370 | 10 | 45000 |
| 560 122 415 | 120 | M24 | 154 | 105 | 1,180 | 25 | 55000 |
| 560 122 421 | 120 | M24 | 204 | 155 | 1,360 | 10 | 55000 |
| 560 122 429 | 120 | M24 | 294 | 245 | 1,630 | 10 | 55000 |
| 560 123 021 | 120 | M30 | 204 | 155 | 1,850 | 10 | 65000 |


