|
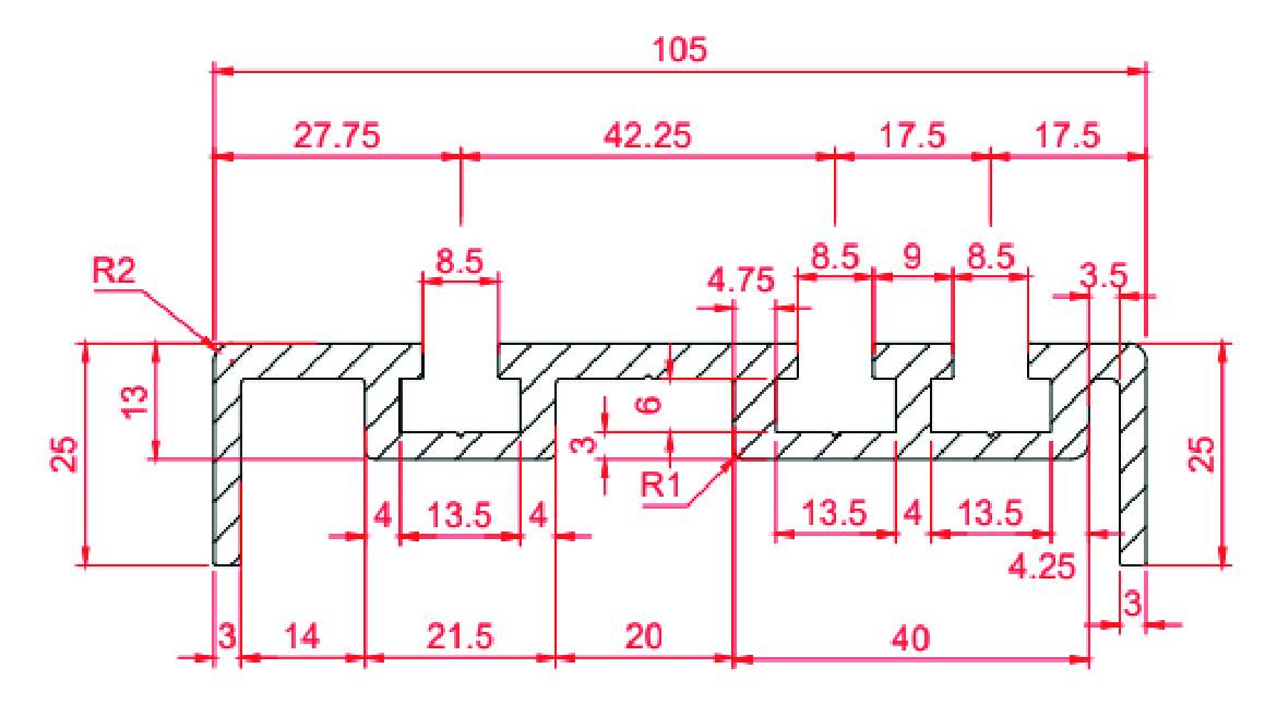
Konveyör sistemleri için geliştirilmiş, dayanıklı ve hafif yapısıyla uzun ömür sunan eloksallı alüminyum yan şase profili. 765 - 25 x 105 Konveyör Yan Şase Alüminyum Profil, endüstriyel konveyör bant sistemlerinde yan gövde/yan çerçeve olarak kullanılan özel bir profildir. Hafif alüminyum gövdesi, kolay taşınabilirlik ve pratik montaj imkânı sunar. Modüler konveyör çözümlerinde tercih edilen ideal bir yan şase profilidir. Öne Çıkan Özellikler
Kullanım Alanları
Teknik Bilgiler
25 x 105 eloksallı alüminyum konveyör yan şase profili; hafif, dayanıklı ve uzun ömürlü yapısıyla tüm endüstriyel konveyör sistemlerine uygun güçlü bir taşıyıcı profildir. 765 - 25 x 105 eloksallı konveyör yan şase alüminyum profili; yüksek dayanım, hafiflik ve uzun ömür sunan taşıyıcı yapı profili. Konveyör ve otomasyon hatları için ideal çözümdür. |
| Stok Kod | Malzeme | Kesit Çevresi (mm) | Atalet Momenti | Mukavemet Momenti | Alan mm2 |
Kg/m | L (m) |
|---|---|---|---|---|---|---|---|
| 765 025 105 | AL | 428 | *Ix=2,42 cm4 / Iy=87,133 cm4 | **Wx=0,133 cm3 / Wy=1,6 cm3 | 750,61 | 2,136 | 6 |

