|
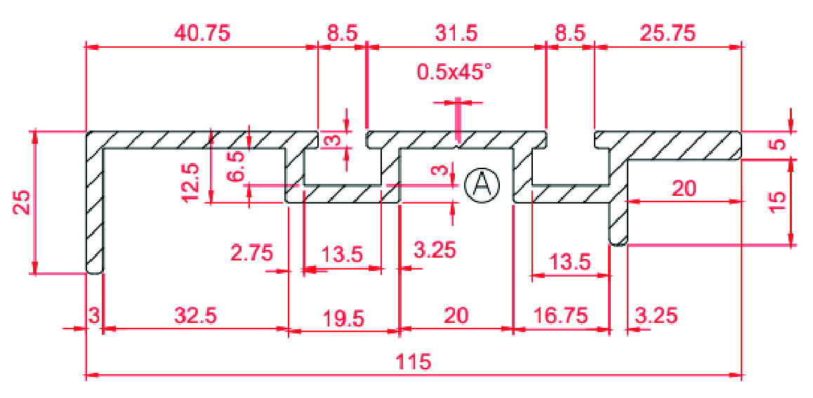
Konveyör sistemlerinde yüksek dayanım ve uzun ömür sunan eloksallı alüminyum yan şase profili. 765 - 25 x 115 Konveyör Yan Şase Alüminyum Profil, konveyör bantlarının yan taşıyıcı gövdesini oluşturmak amacıyla tasarlanmış dayanıklı bir konstrüksiyon profilidir. Eloksallı yüzey, profilin korozyona karşı dayanımını artırırken çizilmelere karşı koruma sunar. Endüstriyel ortamlarda uzun süreli kullanım için en ideal yan şase profil seçeneklerinden biridir. Öne Çıkan Özellikler
Kullanım Alanları
Teknik Bilgiler
25 x 115 eloksallı yan şase alüminyum profil; dayanıklı yapısı, hafifliği ve yüksek korozyon direnciyle konveyör sistemleri için ideal taşıyıcı çözümdür. |
| Stok Kod | Malzeme | Kesit Çevresi (mm) | Atalet Momenti | Mukavemet Momenti | Alan mm2 |
Kg/m | L (m) |
|---|---|---|---|---|---|---|---|
| 765 025 115 | AL | 383 | *Ix=1,909 cm4 / Iy=78,568 cm4 | **Wx=0,1 cm3 / Wy=1,27 cm3 | 626,55 | 1,783 | 6 |

