|
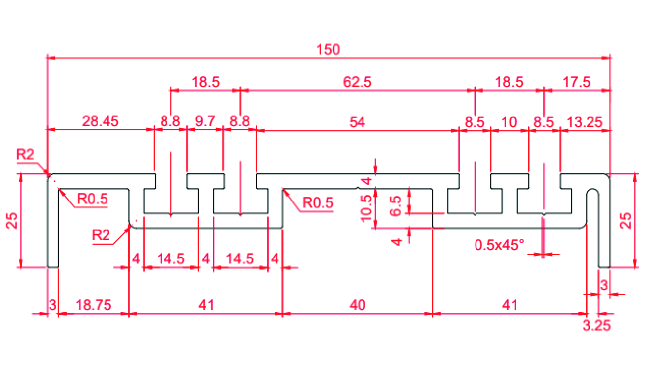
Konveyör ve endüstriyel sistemlerde maksimum dayanım sunan geniş ölçülü eloksallı sigma profil yan şase. 765 - 25 x 150 Eloksallı Alüminyum Sigma Profil Yan Şase, konveyör sistemleri ve modüler makine gövdelerinde taşıyıcı yan çerçeve olarak kullanılan geniş yapılı sigma profildir. Eloksal kaplaması sayesinde çizilmelere, korozyona ve ağır çalışma koşullarına karşı üstün koruma sağlar. Hem hafif hem yüksek dayanımlı oluşuyla tüm endüstriyel ortamlarda uzun ömürlü bir kullanım sunar. Öne Çıkan Özellikler
Kullanım Alanları
Teknik Bilgiler
25 x 150 eloksallı alüminyum sigma profil yan şase; ağır yük konveyörlerinde maksimum mukavemet ve uzun ömür sunan dayanıklı taşıyıcı profil çözümüdür.
|
| Stok Kod | Malzeme | Kesit Çevresi (mm) |
Alan (mm2) |
Kg/m | L (m) |
|---|---|---|---|---|---|
| 765 025 150 | AL | 560 | 1070,17 | 3,045 | 6 |

