|
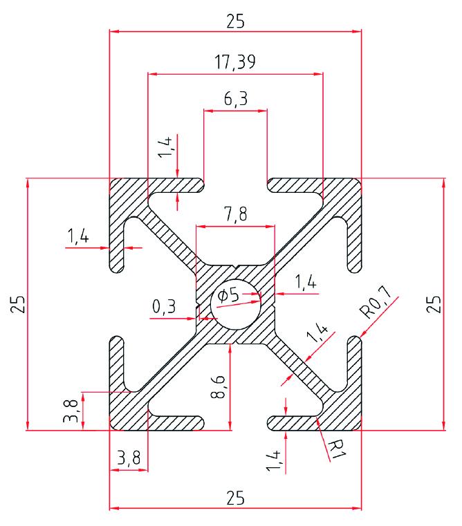
Uygun fiyatlı, dayanıklı ve modüler konstrüksiyon çözümleri için ideal profil modeli. 765 - 25x25 Eloksallı Sigma Alüminyum Profil – Ekonomik Seri, hafif ve orta yüklerde kullanılabilen, maliyet avantajı sağlayan bir profil grubudur. Eloksallı yüzeyi sayesinde çizilmelere, darbelere ve korozyona karşı yüksek koruma sağlar. Modüler yapısı ile pek çok bağlantı elemanıyla uyumludur ve endüstriyel uygulamalarda geniş kullanım alanı sunar. Endüstriyel otomasyon, küçük makine iskeletleri, iş istasyonları ve çeşitli montaj uygulamaları için en ekonomik ve kullanışlı seçeneklerden biridir. Teknik Özellikler
Avantajları
Kullanım Alanları
Neden Ekonomik Seri 25x25 Sigma Profil? Bu profil, düşük maliyet – yüksek performans dengesini sunarak hem endüstriyel hem de küçük ölçekli projelerde en çok tercih edilen ölçülerden biridir. Estetik görünüm, hafiflik, dayanım ve modüler kullanım özelliklerini bir arada sunar. |
| Stok Kod | Malzeme | A | B | Kesit Çevresi (mm) | Atalet Momenti | Mukavemet Momenti | Alan (mm2) | Kg/m | L (m) |
|---|---|---|---|---|---|---|---|---|---|
| 765 025 027 | AL | 25 | 25 | 221 |
*Ix=0,68 cm4 Iy=0,68 cm4 |
**Wx=1,344 cm3 Wy=1,344 cm3 |
202,2 | 0,575 | 6 |

