|
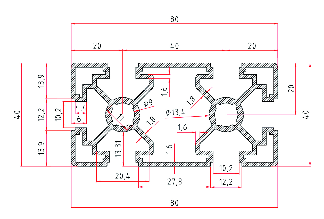
Yüksek dayanım gerektiren endüstriyel konstrüksiyonlar için güçlü ve çok yönlü profil çözümü. 765 - 40x80 Eloksallı Sigma Alüminyum Profil, ağır yük taşıma kapasitesi sunan ve geniş yüzey ölçüsü sayesinde yüksek stabilite sağlayan endüstriyel bir profil modelidir. Eloksallı yüzeyi çizilmelere, aşınmaya ve korozyona karşı üstün koruma sağlar. 40x80 ölçüsü, özellikle makine iskeletlerinde, konveyör sistemlerinde ve ağır tip çerçevelerde yaygın olarak kullanılır. Modüler sigma kanal yapısı sayesinde hızlı montaj imkânı sağlar ve çok sayıda aksesuar ile uyumlu çalışır. Teknik Özellikler
Avantajları
Kullanım Alanları
Neden 40x80 Eloksallı Sigma Profil? 40x80 kesiti, yüksek yük kapasitesi ve dayanıklı yapısıyla büyük ölçekli projelerde maksimum performans sunar. Eloksallı yüzey sayesinde hem estetik hem de uzun ömürlü bir kullanım sağlar. Endüstriyel montaj aksesuarlarıyla uyumu sayesinde projelerde hızlı, modüler ve güvenilir çözümler elde edilir. |
| Stok Kod |
Malzeme |
Kesit Ölçüleri (mm) | Kesit Çevresi (mm) | Alan (mm2) | Kg/m | Kg/m |
|---|---|---|---|---|---|---|
| 765.040.080 | AL | 40x80 | 494 | 778 | 2,214 | 6 |

