|
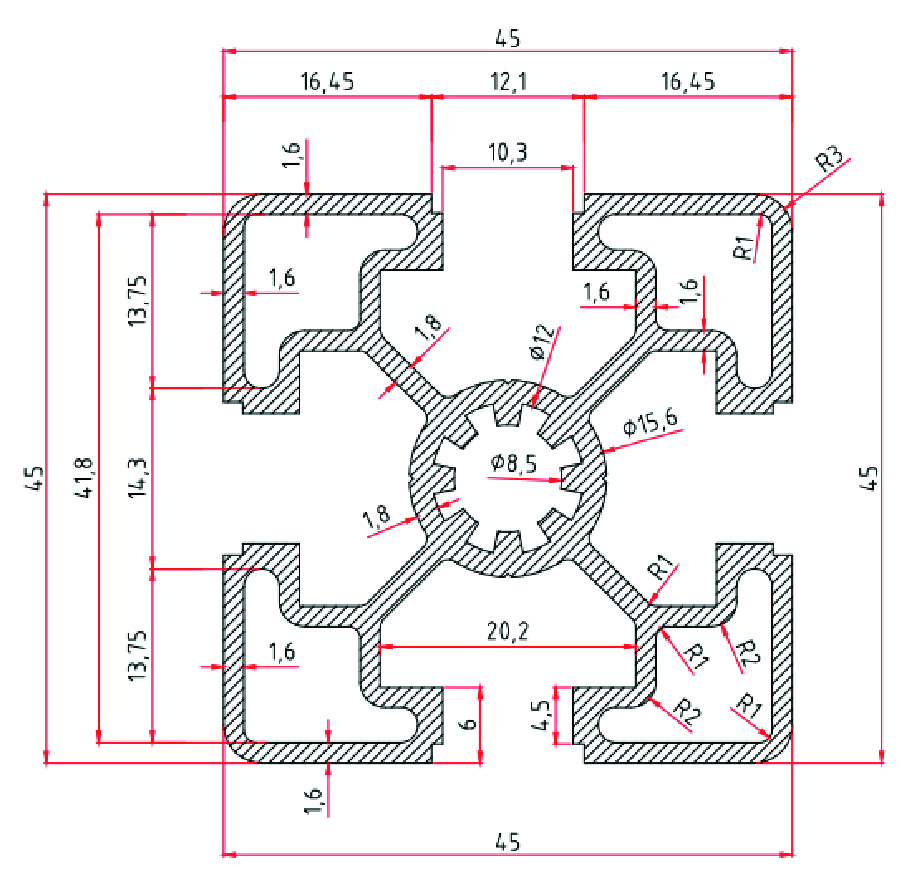
765 - 45 x 45 Eloksallı Ağır Tip Sigma Alüminyum Profil, yüksek taşıma kapasitesi gerektiren endüstriyel yapılarda, makine iskeletlerinde ve otomasyon hatlarında uzun ömürlü kullanım için tasarlanmış güçlü bir konstrüksiyon ürünüdür. Standart sigma profillere göre daha kalın et kalınlığına ve yüksek dayanım değerlerine sahip olması sayesinde ağır yük altında maksimum stabilite sağlar. Öne Çıkan Özellikler
Kullanım Alanları
Neden 45x45 Ağır Tip Sigma Profil? Bu model, standart sigma profillere kıyasla daha yüksek taşıma kapasitesi sunar. Ağır yük altında çalışan makineler, üretim hatları ve taşıma çözümleri için maksimum güvenilirlik sağlar. Yapısal sağlamlığı sayesinde uzun süreli projelerde bakım ihtiyacını da minimuma indirir. |
| Stok Kod | Malzeme | A | B | Kesit Çevresi (mm) |
Atalet Momenti |
Mukavemet Momenti | Alan mm2 |
Kg/m | L (m) |
|---|---|---|---|---|---|---|---|---|---|
| 765 045 045 | AL | 45 | 45 | 362 | *Ix=13,448 cm3 / Iy=13,448 cm3 | **Wx=5,976 cm3 / Wy=5,976 cm3 | 552,3 | 1,572 | 6 |

