|
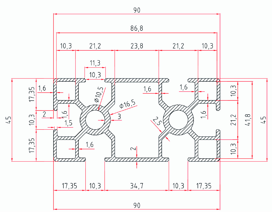
765 - 45x90 Eloksallı Sigma Alüminyum Profil – Ekonomik Seri, orta-yüksek dayanım gerektiren endüstriyel uygulamalar için tasarlanmış, maliyet avantajlı ve modüler yapıda bir alüminyum profil çözümüdür. Sigma kanal yapısı sayesinde birçok bağlantı elemanıyla uyumlu çalışır ve geniş yüzey alanı ile stabil konstrüksiyonlar oluşturmanıza olanak tanır. Öne Çıkan Özellikler
Kullanım Alanları
Neden Ekonomik Seri Tercih Edilir? Ekonomik Seri, gereksiz malzeme kullanımını azaltarak uygun fiyat – yeterli dayanım dengesini sağlar. Büyük projelerde maliyet avantajı sunarken, eloksal kaplaması sayesinde uzun ömürlü ve estetik bir çözüm sunar. |
| Stok Kod | Kesit Ölçüleri (mm) | Kesit Çevresi (mm) | Alan (mm2) | Kg/m |
|---|---|---|---|---|
| 765 045 092 | 45 x 90 | 514 | 937,2 | 2,667 |
