|
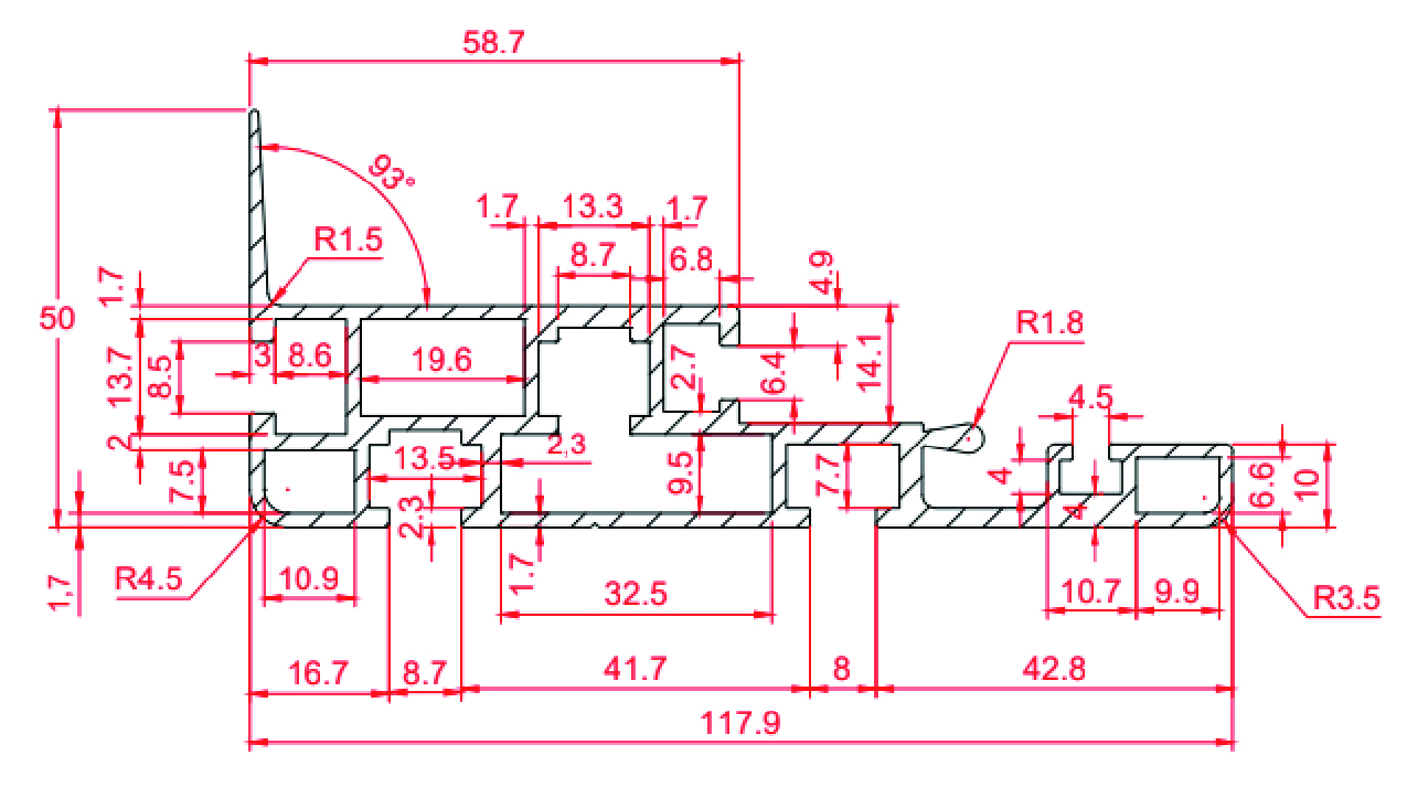
765 - 50x118 Konveyör Yan Şase Alüminyum Profil | Eloksallı Taşıyıcı Şase Profili 765 - 50 x 118 Konveyör Yan Şase Alüminyum Profil, konveyör sistemlerinde yüksek rijitlik ve taşıma kapasitesi gerektiren uygulamalar için geliştirilmiş dayanıklı bir yan şase profilidir. 50x118 mm ölçüsü sayesinde geniş yüzeyli ve güçlü bir taşıyıcı yapı sunar. Eloksal kaplaması, profilin korozyona karşı dayanıklılığını artırarak uzun ömürlü bir kullanım sağlar ve yüzeyin çizilme direncini yükseltir. Modüler konveyör hatlarında, otomasyon sistemlerinde ve ağır hizmet uygulamalarında güvenle tercih edilir. Teknik Özellikler
Avantajları
Kullanım Alanları
|
| Stok Kod | Malzeme | Kesit Çevresi (mm) | Atalet Momenti | Mukavemet Momenti | Alan mm2 |
Kg/m | L (m) |
|---|---|---|---|---|---|---|---|
| 765.050.118 | AL | 501 | *Ix=8,238 cm3 Iy=94,324 cm3 |
**Wx=0,678 cm3 Wy=0,678 cm3 |
|||
| 784,04 | 2,231 | 6 |

