|
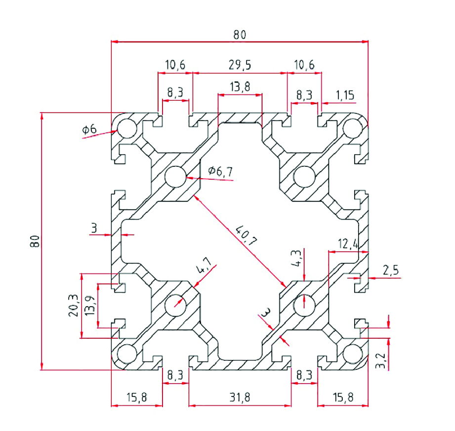
765 - 80 x 80 Eloksallı Alüminyum Profil, ağır yük taşıyan endüstriyel konstrüksiyonlarda maksimum rijitlik, yüksek mukavemet ve uzun ömür sunan güçlü bir yapısal profil çözümüdür. Geniş ve simetrik kesit yapısı sayesinde büyük makine gövdeleri, konveyör sistemleri ve endüstriyel çerçeveler için ideal bir taşıyıcı elemandır. Öne Çıkan Teknik Özellikler
Kullanım Alanları
Neden 80x80 Alüminyum Profil? 80x80 kesit, geniş yüzey alanı ve yüksek dayanım kapasitesi sayesinde ağır tip endüstriyel uygulamalar için mükemmel bir denge sunar. Eloksallı yüzeyi sayesinde uzun süre estetik ve sağlam kalır, modüler yapısı ise projelerde hızlı ve esnek montaj olanağı sağlar. |
| Stok Kod | Malzeme | A | B | Kesit Çevresi (mm) | Alan (mm2) | Kg/m | L (m) |
|---|---|---|---|---|---|---|---|
| 765 080 080 | AL | 80 | 80 | 1127 | 1893,69 | 5,388 | 5 |
