|
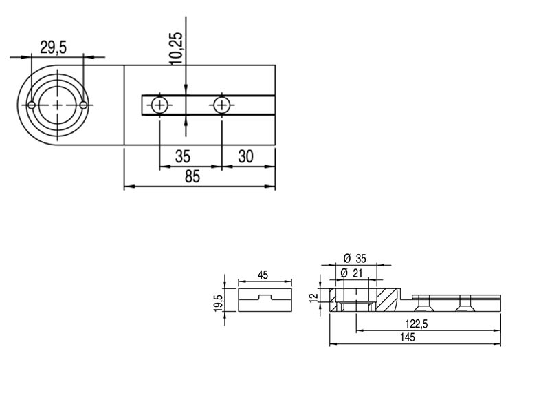
766 – 45x45 Alüminyum Tahrik ve Avara Takımı, konveyör sistemlerinde tahrik tamburu ve avara ruloların sigma profillere güvenli ve stabil şekilde monte edilmesini sağlayan özel bir bağlantı modülüdür. 45x45 mm ölçülerindeki alüminyum yapısı, yüksek mukavemetli bir taşıyıcı yüzey sunarken, eloksal kaplama sayesinde korozyona karşı üstün dayanım sağlar. Bu takım hem tahrik hem de avara görevlerini aynı platformda desteklediği için konveyör sistemlerinde maksimum verim ve düzen sağlar. Öne Çıkan Özellikler
Kullanım Alanları
Neden 766 – 45x45 Alüminyum Tahrik ve Avara Takımı? Tahrik ve avara sistemlerini tek bir montaj çözümünde buluşturan bu takım, hem verimlilik hem de sağlamlık açısından avantaj sağlar. Konveyör sistemlerinde istikrarlı güç aktarımı, doğru rulolama ve uzun ömürlü kullanım isteyen işletmeler için ideal bir üründür. |
| Stok Kod | Malzeme | Kg | ![]() |
|---|---|---|---|
| 766.018.007 Tahrik Takım | AL | 0,390 | 20 |
| 766.018.008 Avara Takım | AL | 0,340 | 20 |


