|
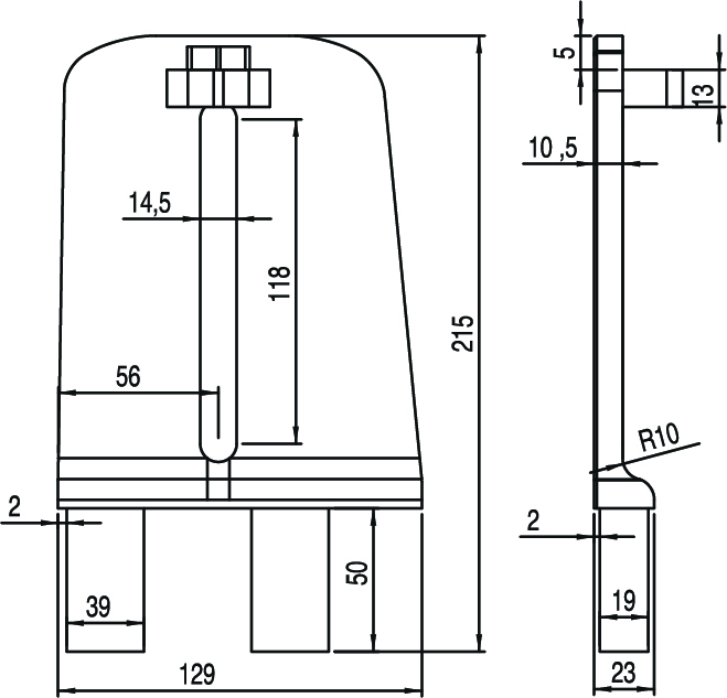
766 – Alüminyum Germe Plakası Takımı (23x129), konveyör sistemlerinde bant veya rulolu taşıma hatlarının doğru gerginlikte çalışmasını sağlamak için kullanılan tasarım odaklı bir bağlantı elemanıdır. 23x129 mm ölçülerindeki kompakt yapısı sayesinde konveyörlerde germe tamburu, rulolar veya kılavuz elemanlarının hassas bir şekilde ayarlanmasına olanak tanır. Eloksallı alüminyum malzemesi ile hafif, dayanıklı ve korozyona karşı uzun ömürlüdür. Öne Çıkan Özellikler
Kullanım Alanları
Neden 766 – Alüminyum Germe Plakası Takımı (23x129)? Bant ve rulo sistemlerinde doğru gerginlik ayarı, sistem verimliliği ve uzun ekipman ömrü için kritik öneme sahiptir. Bu germe plakası takımı, hassas ayar imkânı, yüksek dayanım ve korozyon direnci sayesinde endüstriyel konveyör sistemleri için ideal bir çözümdür. |
| Stok Kod | Malzeme | Kg | ![]() |
|---|---|---|---|
| 766.018.001 | AL | 1,350 | 5 Set |


