|
766 – Bayrak Bağlantı (110x110), büyük ve yüksek dayanım gerektiren sigma alüminyum profil konstrüksiyonlarında kullanılan ağır tip köşe bağlantı elemanıdır. 110x110 mm geniş yüzey ölçüleri sayesinde güçlü, rijit ve uzun ömürlü bağlantılar oluşturur. Endüstriyel yapılarda maksimum stabilite sağlamak için özel olarak tasarlanmıştır. Öne Çıkan Özellikler
Kullanım Alanları
Neden 766 – Bayrak Bağlantı (110x110)? Geniş bağlantı yüzeyi ve ağır tip gövde yapısı sayesinde, standart köşe bağlantılarına göre çok daha yüksek stabilite sunar. Büyük ölçekli endüstriyel projelerde güvenilir, rijit ve uzun ömürlü bağlantılar için ideal bir çözümdür. |
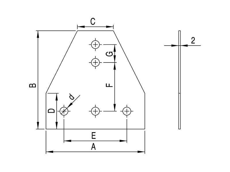
| Stok Kod | Malzeme | A | B | C | D | E | F | G | d | KG | ![]() |
|---|---|---|---|---|---|---|---|---|---|---|---|
| 766.013.112 | Çinko Kaplama Saç ZN | 110 | 110 | 40 | 40 | 61 | 59 | 30 | M9 | 0,15 | 25 |


