|
766 – Bayrak T Bağlantı Açısı Ayarlı, sigma alüminyum profil sistemlerinde farklı açılarda T bağlantı oluşturmak için geliştirilmiş ayarlanabilir bir bağlantı elemanıdır. Standart sabit açılı modellerin aksine, bu ürün istenilen açıda hassas pozisyonlama sağlar ve çok yönlü çözümler sunar. Ayarlanabilir yapısı sayesinde proje esnekliğini artırır ve özel konstrüksiyon ihtiyaçlarına tam uyum sağlar. Öne Çıkan Özellikler
Kullanım Alanları
Neden 766 – Bayrak T Bağlantı Açısı Ayarlı? Sabit açılı bağlantı elemanlarının yetersiz kaldığı durumlarda, bu ayarlı T bağlantısı maksimum esneklik ve hassasiyet sağlar. Farklı açılarda bağlama gerektiren mühendislik uygulamalarında daha hızlı, daha stabil ve daha profesyonel çözümler üretir. |
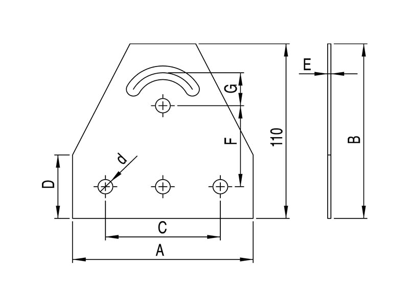
| Stok Kod | Malzeme | A | B | C | D | E | F | G | d | KG | ![]() |
|---|---|---|---|---|---|---|---|---|---|---|---|
| 766.013.145 | Çinko Kaplama Saç ZN | 110 | 110 | 70 | 40 | 2 | 51 | 20,5 | 9 | 0,140 | 25 |


