|
766 – Yaylı Somunlar, sigma alüminyum profil sistemlerinde kullanılan, montaj kolaylığı ve yüksek sabitleme performansı sağlayan özel bağlantı elemanlarıdır. Üzerindeki yay mekanizması sayesinde T kanal içinde kendini konumlandırır, montaj sırasında kaymayı önler ve tek kişiyle hızlı kurulum yapılmasını mümkün kılar. Otomasyon sistemleri, makine iskeletleri ve konveyör hatlarında en çok tercih edilen somun modellerinden biridir. Öne Çıkan Özellikler
Kullanım Alanları
Neden 766 – Yaylı Somunlar? Yaylı somunlar, özellikle montaj sırasında somunun kanal içinde sabit kalması gereken uygulamalarda büyük avantaj sağlar. Zaman kazandırır, montajı kolaylaştırır ve sistemin titreşim altında bile güvenli çalışmasını destekler. Dayanıklı yapısı sayesinde uzun ömürlü ve güvenilir bir bağlantı çözümüdür. |
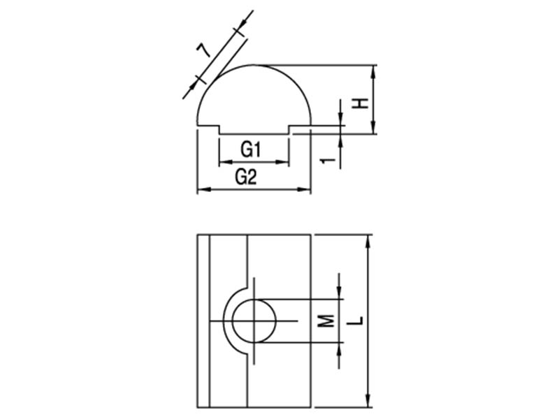
| Stok Kod | G1 | G2 | h | H | L | M | Kullanılan Profil | Malzeme | ![]() |
|---|---|---|---|---|---|---|---|---|---|
| 766 010 012 | 8 | 13 | 1 | 8 | 20 | 5 | 30x30 | Çinko Kaplı Çelik | 300 |
| 766 010 013 | 8 | 13 | 1 | 8 | 20 | 6 | 30x30 | Çinko Kaplı Çelik | 300 |
| 766 010 014 | 8 | 13 | 1 | 8 | 20 | 8 | 30x30 | Çinko Kaplı Çelik | 300 |


