Alüminyum Profil Sistemleri İçin Yüksek Mukavemetli ve Uzun Ömürlü Köşe Bağlantı Çözümü
766 Zamak Köşe Bağlantı, alüminyum profil konstrüksiyonlarında yüksek dayanım, rijit yapı ve uzun ömürlü kullanım gerektiren uygulamalar için geliştirilmiştir. Zamak alaşımlı gövdesi sayesinde plastik köşe bağlantılara göre daha yüksek yük taşıma kapasitesi sunar ve konveyör şaseleri ile makine çerçevelerinde güvenle tercih edilir.
🔧 Ürün Özellikleri
- Ürün Kodu / Model: 766
- Ürün Tipi: Zamak köşe bağlantı elemanı
- Bağlantı Açısı: 90°
- Malzeme: Zamak alaşım
- Mukavemet: Yüksek yük taşıma kapasitesi
- Montaj Tipi: Vidalı / cıvatalı montaj
- Kullanım Şekli: Profil içi köşe bağlantı
- Yüzey: Doğal zamak / kaplamalı (opsiyonel)
🚀 Avantajları
- Yüksek Dayanım: Ağır ve rijit konstrüksiyonlar için ideal
- Sağlam Köşe Birleşimi: Profiller arasında güçlü ve stabil bağlantı
- Uzun Ömür: Aşınma ve deformasyona karşı dirençli yapı
- Titreşime Dayanım: Endüstriyel ve sürekli çalışan sistemlere uygun
- Profesyonel Çözüm: Makine ve konveyör şaselerinde güvenli kullanım
🏭 Kullanım Alanları
- Konveyör şase ve taşıyıcı sistemleri
- Alüminyum profil konstrüksiyonlar
- Makine gövde ve çerçeveleri
- Endüstriyel ekipman iskeletleri
- Ağır hizmet uygulamaları
📐 Teknik Bilgiler
- Bağlantı Tipi: İçten köşe bağlantı
- Montaj Elemanları: Vida / cıvata ile sabitleme
- Çalışma Ortamı: Endüstriyel, titreşimli ve orta–ağır yük koşulları
Not: Zamak köşe bağlantılar, plastik bağlantı elemanlarına göre daha yüksek mukavemet ve rijitlik gerektiren uygulamalarda tercih edilir.
❓ Sıkça Sorulan Sorular (SSS)
766 zamak köşe bağlantı hangi uygulamalar için uygundur?
Yüksek dayanım ve rijitlik gerektiren alüminyum profil ve konveyör sistemlerinde kullanılır.
Plastik köşe bağlantıya göre farkı nedir?
Zamak yapı sayesinde daha yüksek yük taşıma kapasitesi ve uzun ömür sunar.
Dış ortamda kullanılabilir mi?
Evet. Uygun yüzey kaplama ile dış ortam koşullarına uygundur.
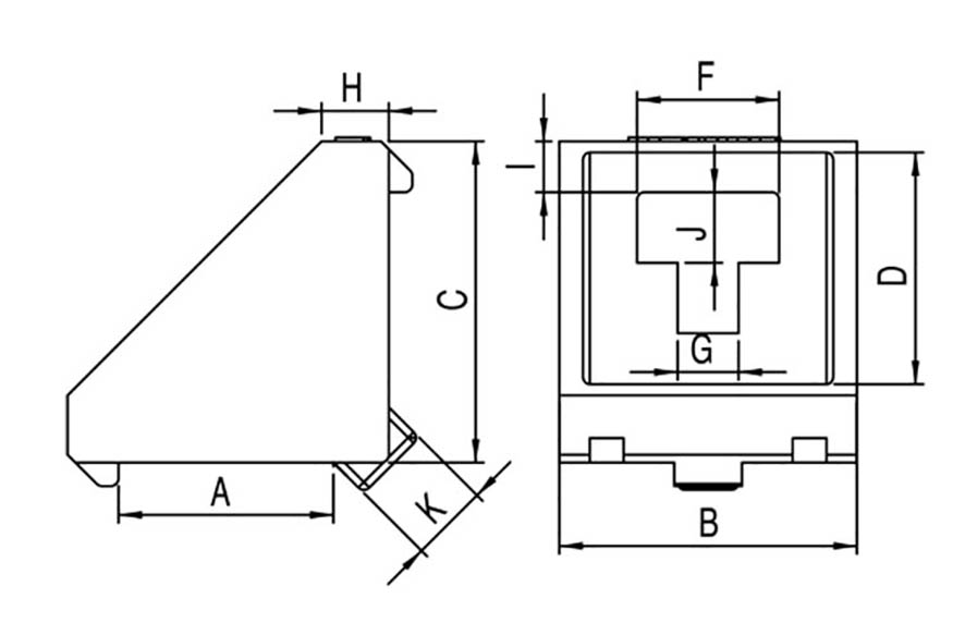
| Stok Kod | Malzeme | Profil | A | B | C | D | E | F | G | H | I | J | K | Kg | ![]() |
|---|---|---|---|---|---|---|---|---|---|---|---|---|---|---|---|
| 766 011 015 | ZA | 40x40 | 31 | 38 | 41 | 29,5 | 30 | 19,5 | 9 | 8,5 | 5,5 | 9 | 10 | 0,14 | 80 |
| 766 011 016 | ZA | 45x45 | 31 | 44 | 41 | 29,5 | 37 | 21 | 9 | 8,5 | 5,5 | 9 | 10 | 0,15 | 80 |


