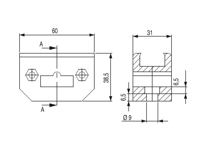
Balık sırtı profiller için özel olarak tasarlanan Geniş Mengene (Açık) modeli; yüksek sıkma kuvveti, geniş temas yüzeyi ve açık tasarımı sayesinde hızlı yerleştirme kolaylığı sunan, endüstriyel kullanım için ideal bir bağlantı elemanıdır. Balık sırtı profil geometrisine tam uyum sağlayarak parçaların güvenli ve stabil bir şekilde sabitlenmesini sağlar.
Ürün Özellikleri
- Geniş tutuş yüzeyi: Büyük ve geniş profillerde maksimum kavrama sağlar.
- Açık tasarım: Profilin hızlı yerleştirilmesini ve kolay ayarlama yapılmasını mümkün kılar.
- Balık sırtı profillere özel yapı: Profil kanallarına tam uyum sağlayan geometrik tasarım.
- Yüksek dayanım: Endüstriyel ortamlar için üretilmiş güçlü gövde yapısı.
- Stabil sıkma performansı: Titreşimli sistemlerde dahi güvenli sabitleme.
Kullanım Alanları
- Balık sırtı alüminyum profil sistemleri
- Taşıma ve konveyör hatları
- Makine ve otomasyon sistemleri
- Aparat, jig ve fikstür üretimi
- Montaj ve üretim hattı uygulamaları
Avantajları
- Balık sırtı profillere özel optimize edilmiş bağlantı
- Açık yapı sayesinde pratik kullanım
- Geniş yüzeyle yüksek tutuş kuvveti
- Dayanıklı ve uzun ömürlü
- Kolay montaj, hızlı ayarlama
| Stok Kod | DE | KG | ![]() |
|---|---|---|---|
| 800 210 133 | - | 0.050 | 75 |


