|
Konveyör Sistemleri İçin Endüstriyel Rulo Başlığı KTR Model Rulo Başlık Ø30, konveyör sistemlerinde kullanılan ruloların uç kısmında yer alan, rulmanın mil üzerinde hassas ve güvenli bir şekilde dönmesini sağlayan mekanik bir parçadır. Ø30 mm rulo çapına uygun yapısı sayesinde birçok endüstriyel taşıma hattında yüksek performans sağlar. Uzun ömürlü malzemeden üretilmiş olup, düşük sürtünme ve sessiz çalışma avantajı sunar. ✔ Ürün Özellikleri
🏭 Kullanım Alanları
⭐ Avantajları
|
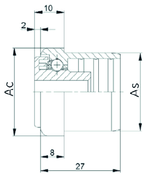
| Stok Kod | Model | Malzeme | Mil Çapı (Ø) | Özellik | Ac | As | ![]() |
|---|---|---|---|---|---|---|---|
| K00.301.510 | KTR-30x1.5 | PA | 10 | Dizme Bilyalı | 30 | 27 | 100 |


