|
Konveyör Sistemleri İçin Yüksek Dayanımlı Rulo Başlığı KTR Model Rulo Başlık Ø40, konveyör sistemlerinde kullanılan rulo borularının uç noktalarında görev alan dizme bilyalı önemli bir mekanik parçadır. Taşıma hatlarında rulmanlama, merkezleme ve rulonun mil üzerinde sorunsuz dönmesini sağlayarak sistemin verimli çalışmasına katkı sağlar. Endüstriyel taşıma çözümlerinde uzun ömürlü performans sunan yapısıyla işletmelere güvenilir kullanım imkânı sunar. ✅ Ürün Özellikleri
🔧 Kullanım Alanları
⭐ Avantajları
✅ Temel Özellikler
⚙️ Kullanım & Teknik Genel Bilgi
|
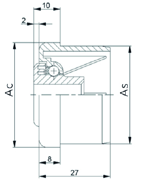
| Stok Kod | Model | Malzeme | Mil Çapı (Ø) | Özellik | Ac | As | ![]() |
|---|---|---|---|---|---|---|---|
| K00.401.510 | KTR-40x1.5 | PA | 10 | Dizme Bilyalı | 39,9 | 37,1 | 100 |


