Model 235 Yuvarlak Profil Kılavuzları, konveyör sistemleri ve endüstriyel taşıma hatlarında ürünlerin dengeli, güvenli ve kontrollü şekilde yönlendirilmesini sağlamak amacıyla tasarlanmıştır. Yuvarlak profil uyumlu yapısı sayesinde hat boyunca akıcı ve stabil kılavuzlama sunar.
Öne Çıkan Özellikler
- Aşınmaya dayanıklı ve uzun ömürlü malzeme yapısı
- Yuvarlak profil sistemlerine tam uyum
- Ürünlerin düzgün ve hizalı ilerlemesini sağlar
- Sürtünmeyi azaltan pürüzsüz yüzey tasarımı
- Konveyör sistemlerine kolay entegrasyon
- Bakım gerektirmeyen, dayanıklı yapı
Kullanım Alanları
- Konveyör taşıma ve yönlendirme hatları
- Paketleme ve ayıklama sistemleri
- Otomasyon ve üretim hatları
- Ürün hizalama ve ayırma uygulamaları
- Endüstriyel taşıma sistemleri
Avantajları
Yuvarlak profil kılavuzları, ürünlerin hat üzerinde devrilmeden ve zarar görmeden taşınmasını sağlar, hat verimliliğini artırır ve sistem güvenliğini destekler. Modüler yapısı sayesinde farklı hat ve ürün tiplerine kolayca uyarlanabilir.
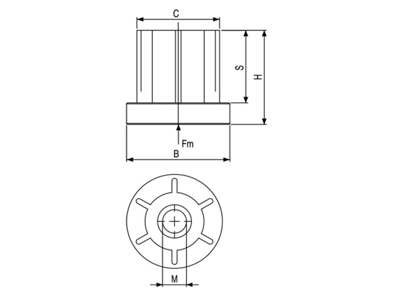
| Stok Kod | M | B | C | H | S | Ø Dış | Ø İç | Kalınlık | KG | ![]() |
FM N (Newton) |
|---|---|---|---|---|---|---|---|---|---|---|---|
| 235 381 510 | 10 | 38 | 35,5 | 43 | 34 | 38 | 35 | 1,5 | 0.055 | 25 | 5000 |
| 235 381 512 | 12 | 38 | 35,5 | 43 | 34 | 38 | 35 | 1,5 | 0.050 | 25 | 5000 |
| 235 381 514 | 14 | 38 | 35,5 | 43 | 34 | 38 | 35 | 1,5 | 0.045 | 25 | 5000 |
| 235 381 516 | 16 | 38 | 35,5 | 43 | 34 | 38 | 35 | 1,5 | 0.040 | 25 | 5000 |
| 235 421 510 | 10 | 42 | 39,9 | 42 | 34 | 42,4 | 39,4 | 1,5 | 0.075 | 50 | 6000 |
| 235 421 512 | 12 | 42 | 39,9 | 42 | 34 | 42,4 | 39,4 | 1,5 | 0.065 | 50 | 6000 |
| 235 421 514 | 14 | 42 | 39,9 | 42 | 34 | 42,4 | 39,4 | 1,5 | 0.060 | 50 | 6000 |
| 235 421 516 | 16 | 42 | 39,9 | 42 | 34 | 42,4 | 39,4 | 1,5 | 0.050 | 50 | 6000 |
| 235 421 520 | 20 | 42 | 39,9 | 42 | 34 | 42,4 | 39,4 | 1,5 | 0.070 | 50 | 6000 |
| 235 481 512 | 12 | 48 | 45,8 | 49 | 38 | 48,3 | 45,3 | 1,5 | 0.080 | 50 | 6000 |
| 235 481 514 | 14 | 48 | 45,8 | 49 | 38 | 48,3 | 45,3 | 1,5 | 0.070 | 50 | 6000 |
| 235 481 516 | 16 | 48 | 45,8 | 49 | 38 | 48,3 | 45,3 | 1,5 | 0.060 | 50 | 6000 |
| 235 481 520 | 20 | 48 | 45,8 | 49 | 38 | 48,3 | 45,3 | 1,5 | 0.080 | 50 | 6000 |
| 235 482 012 | 12 | 48 | 45 | 49 | 38 | 48,3 | 44,3 | 2 | 0.080 | 50 | 6000 |
| 235 482 014 | 14 | 48 | 45 | 49 | 38 | 48,3 | 44,3 | 2 | 0.070 | 50 | 6000 |
| 235 482 016 | 16 | 48 | 45 | 49 | 38 | 48,3 | 44,3 | 2 | 0.060 | 50 | 6000 |
| 235 482 020 | 20 | 48 | 45 | 49 | 38 | 48,3 | 44,3 | 2 | 0.080 | 50 | 6000 |
| 235 602 016 | 16 | 60 | 56,7 | 54,7 | 44,5 | 60,3 | 56,3 | 2 | 0.100 | 15 | 8000 |
| 235 602 020 | 20 | 60 | 56,7 | 54,7 | 44,5 | 60,3 | 56,3 | 2 | 0.110 | 15 | 8000 |
| 235 602 024 | 24 | 60 | 56,7 | 54,7 | 44,5 | 60,3 | 56,3 | 2 | 0.120 | 15 | 8000 |
| 235 602 516 | 16 | 60 | 56 | 50 | 44,5 | 60,3 | 55,3 | 2,5 | 0.100 | 15 | 8000 |
| 235 602 520 | 20 | 60 | 56 | 50 | 44,5 | 60,3 | 65,3 | 2,5 | 0.110 | 15 | 8000 |
| 235 602 524 | 24 | 60 | 56 | 50 | 44,5 | 60,3 | 65,3 | 2,5 | 0.120 | 15 | 8000 |
Malzeme : Plastik Kısım Polyamid (PA) / İç Kısım Galvaniz Kaplı Kılavuz


