|
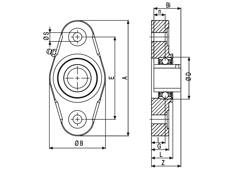
UCFL kapaklı badem rulman yatakları, iki cıvatalı flanş yapısına sahip, uzunlamasına oval (badem) gövde formuyla öne çıkan rulman yataklarıdır. Koruyucu kapaklı tasarımı sayesinde rulmanı dış ortam etkilerinden korur ve özellikle tozlu, nemli veya darbeye açık çalışma koşullarında yüksek dayanım sağlar. Konveyör sistemlerinde ve endüstriyel makinelerde güvenilir bir yataklama çözümüdür. Teknik Özellikler
Kullanım Alanları
Avantajları ✔ Koruyucu kapak sayesinde uzun hizmet ömrü |
| Malzeme | Ø EJE | Ø D | A | E | G | L | Ø S | Z | I | Bİ | n | Ø B | Kg | ![]() |
Stok Kod (Metal Rulmanlı Yatak) | Kg | ![]() |
Stok Kod (Rulmansız Yatak) | Stok Kod (Paslanmaz Rulmanlı Yatak) | Yük Kapasitesi | ![]() |
||
|---|---|---|---|---|---|---|---|---|---|---|---|---|---|---|---|---|---|---|---|---|---|---|---|
| dyn (N) | st (N) | ||||||||||||||||||||||
| PA | Ø 20 | 45 | 116 | 90 | 19,5 | 26,5 | 11 | 33,7 | 15,4 | 24,7 | 7 | 65 | 0.230 | + | 245 CFL 204 | 0,075 | - | 246 OFL 204 | 247 OFL 204 | 7800 | 5300 | 60 | |
| PA | Ø 25 | 50 | 132 | 102 | 21,5 | 29,1 | 11 | 36,7 | 17 | 27 | 7,5 | 69,5 | 0.305 | + | 245 CFL 205 | 0,110 | - | 246 OFL 205 | 247 OFL 204 | 8600 | 6250 | 50 | |
| *PPF/PPL-OPF/OPL: Asidik ortam için PP (poliproplen) malzemeden özel üretim bulunmaktadır. |
|||||||||||||||||||||||



