304 model avara kasnak, konveyör ve bantlı taşıma sistemlerinde bantların doğru hat üzerinde yönlendirilmesini, gerginliğinin dengelenmesini ve stabil şekilde çalışmasını sağlamak amacıyla kullanılan yardımcı bir döner elemandır. Tahrik görevinden bağımsız olarak çalışarak bant üzerindeki yük dağılımını optimize eder.
Dayanıklı gövde yapısı ve hassas dönme kabiliyeti sayesinde sürtünmeyi azaltır, bant aşınmasını minimuma indirir ve sistemin sessiz çalışmasına katkı sağlar. Farklı bant tipleri ve sistem ölçülerine uyum sağlayacak şekilde kullanılabilir.
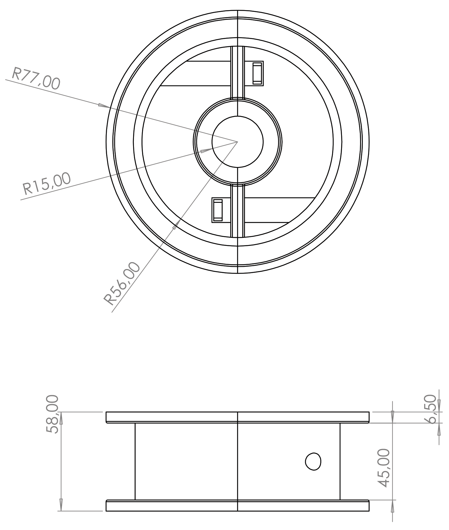
Teknik Özellikler
- Model: 304
- Ürün Tipi: Avara kasnak
- Çalışma Şekli: Serbest döner (tahriksiz)
- Kullanım Amacı: Bant yönlendirme ve gerginlik dengeleme
- Rulman Yapısı: Düşük sürtünmeli rulman sistemi
- Montaj: Mil veya yataklı montaj seçenekleri
Öne Çıkan Avantajlar
- Bant yönünü ve gerginliğini optimize eder
- Bant ve kasnak yüzeyinde aşınmayı azaltır
- Sessiz ve titreşimsiz çalışma
- Uzun ömürlü ve bakım gerektirmeyen yapı
- Farklı konveyör sistemleriyle uyumlu
- Enerji verimliliğini artırır
Kullanım Alanları
- Bantlı konveyör sistemleri
- Gergi ve yönlendirme noktaları
- Modüler taşıma hatları
- Gıda, ambalaj ve otomasyon tesisleri
- Endüstriyel üretim hatları
| Stok Kod | Z-İmalat Şekli | DE | DF | Kg | ![]() |
|---|---|---|---|---|---|
| 304 021 102 | 21-Kalıplı (Tek Parça) | 129 | 25 | 0,300 | 6 |
| 304 021 202 | 21-Kalıplı (Tek Parça) | 129 | 30 | 0,300 | 6 |
| 304 021 302 | 21-Kalıplı (Tek Parça) | 129 | 35 | 0,300 | 6 |
| 304 021 402 | 21-Kalıplı (Tek Parça) | 129 | 40 | 0,300 | 6 |
| 304 023 102 | 23-Kalıplı (Tek Parça) | 141 | 25 | 0,325 | 6 |
| 304 023 202 | 23-Kalıplı (Tek Parça) | 141 | 30 | 0,325 | 6 |
| 304 023 302 | 23-Kalıplı (Tek Parça) | 141 | 35 | 0,325 | 6 |
| 304 023 402 | 23-Kalıplı (Tek Parça) | 141 | 40 | 0,325 | 6 |
| 304 025 102 | 25-Kalıplı (İki Parça) | 153 | 25 | 0,385 | 6 |
| 304 025 202 | 25-Kalıplı (İki Parça) | 153 | 30 | 0,385 | 6 |
| 304 025 302 | 25-Kalıplı (İki Parça) | 153 | 35 | 0,385 | 6 |
| 304 025 402 | 25-Kalıplı (İki Parça) | 153 | 40 | 0,385 | 6 |


