|
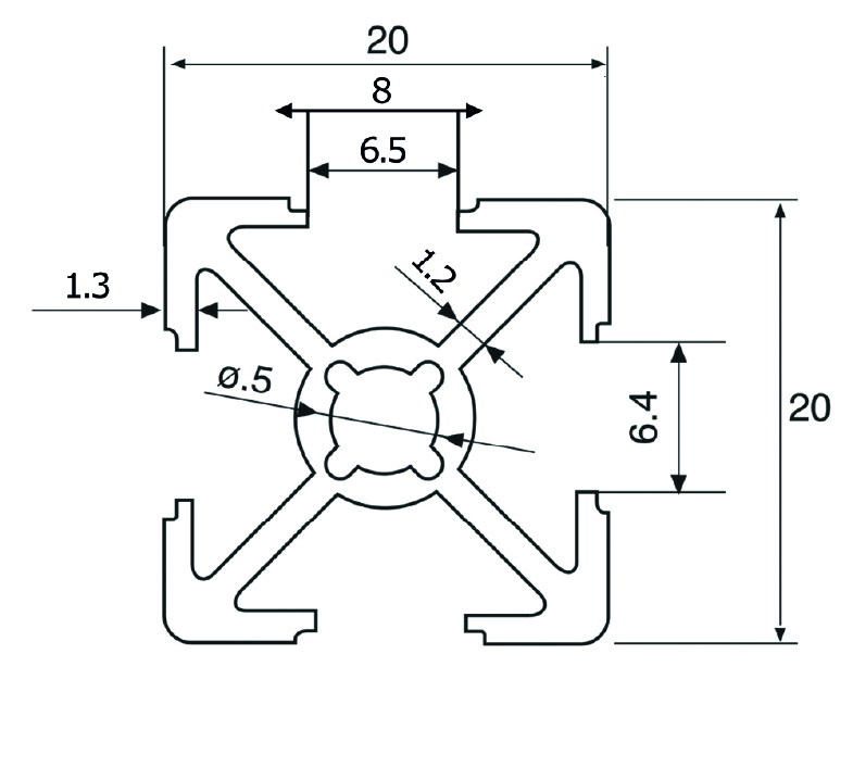
Hafif, dayanıklı ve uygun maliyetli konstrüksiyon çözümleri için ideal profil. 765 - 20x20 Eloksallı Sigma Alüminyum Profil, ekonomik seri yapısı sayesinde düşük bütçeli projelerde yüksek performans sunar. Endüstriyel otomasyon, makine iskeletleri, taşıyıcı çerçeveler, koruyucu kafesler ve hafif konstrüksiyon uygulamalarında sıkça tercih edilen bir alüminyum profil modelidir. Eloksal kaplaması sayesinde çizilme direnci artar, korozyona karşı güçlü koruma sağlar ve uzun yıllar boyunca ilk günkü görünümünü korur. Öne Çıkan Teknik Özellikler
Avantajları
Kullanım Alanları
Neden 20x20 Ekonomik Seri Sigma Profil? Bu profil, hem uygun fiyatlı hem de dayanıklı çözümler sunması nedeniyle küçük ölçekli sistemlerde en çok tercih edilen modellerden biridir. Hafif olması montaj kolaylığı sağlar, eloksal yüzeyi ise uzun ömürlü kullanım sunar. |
| Stok Kod | A | B | Kesit Çevresi (mm) | Atalet Momenti | Mukavemet Momenti | Alan (mm2) | Kg/m | L (m) |
|---|---|---|---|---|---|---|---|---|
|
765 020 022 |
20 | 20 | 170 |
*Ix=0,63 cm4 ly=0,63 cm4 |
**Wx=0,63 cm3 Wy=0,63 cm3 |
130 | 0,37 | 6 |

