|
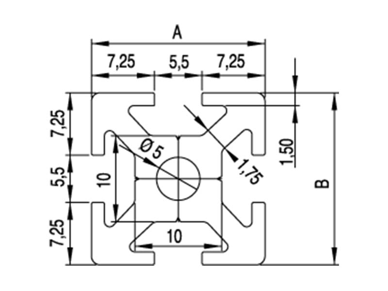
Hafif • Dayanıklı • Modüler Yapı Sistemlerine Uygun 765 – 20x20 Eloksallı Alüminyum Profil, endüstriyel çerçeveleme uygulamalarında, makine iskelet sistemlerinde, otomasyon hatlarında ve hafif konstrüksiyon çözümlerinde yaygın olarak kullanılan kompakt bir profil tipidir. Eloksal kaplama sayesinde yüksek korozyon direnci, uzun ömürlü yüzey dayanımı ve estetik bir görünüm sunar. Öne Çıkan Özellikler
Kullanım Alanları
|
| Stok Kod | Malzeme | A | B | Kesit Çevresi (mm) | Atalet Momenti | Mukavemet Momenti | Alan (mm2) | Kg/m | L (m) |
|---|---|---|---|---|---|---|---|---|---|
| 765 020 020 | AL | 20 | 20 | 160,5 | *Ix=0,63 cm4 / Iy=0,63 cm4 | **Wx=0,63 cm3 / Wy=0,63 cm3 | 194,98 | 0,554 | 6 |

